Automotive ICs

Automotive, 125°C Operation, 16 V Input, 3 Channel Output, Compact PMIC For Camera Modules S-19560B Series

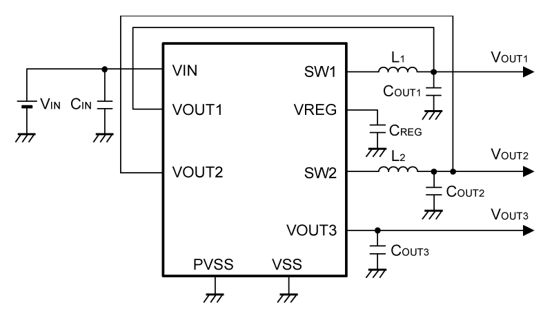
This IC is a power management IC for automotive devices and is composed of a 2 channel step-down switching regulator (step-down DC-DC converter) and a 1 channel voltage regulator (LDO regulator).
It has a high maximum operating voltage of 16 V and maintains a high accuracy of ±2.0% for each output voltage. step-down DC-DC converter operates via PWM control thereby achieving both high efficiency and low ripple voltage. It also has a builtin spread spectrum clock generation circuit capable of reducing conductive noise and emission noise.
Each output has a built-in overcurrent protection circuit to protect the IC and coil from excessive load current and a built-in thermal shutdown circuit to prevent damage from heat generation. The startup sequence for each output is fixed within the IC, so there is no need for control via an external signal, and each output voltage can be automatically and safely supplied by simply providing power.
The use of compact HSNT-8(2030) package allows high-density mounting and contributes to device downsizing.

Thermal simulation service
ABLIC Inc. offers a “thermal simulation service” which supports the thermal design in conditions when our power management ICs are in use by customers. Our thermal simulation service will contribute to reducing the risk in the thermal design at customers development stage.
For more information regarding our thermal simulation service, contact our sales representatives.

FIT rate calculation
ABLIC Inc. offers FIT rate calculated based on actual customer usage conditions in order to support customer functional safety design.
For more information regarding our FIT rate calculation, contact our sales representatives.

Caution: This product can be used in vehicle equipment and in-vehicle equipment. Before using the product for these purposes, it is imperative to contact our sales representatives.

Features

Step-down DC-DC converter block (Ch1, Ch2)

Output voltage (Ch1)
3.3 V to 5.0 V
Output voltage (Ch2)
0.9 V to 3.0V
Output current (Ch1)
600 mA
Output current (Ch2)
700 mA
Oscillation frequency
2.2 MHz typ.
Spread spectrum clock generation function
FSSS = +6% typ. (Diffusion rate)
Overcurrent protection function
1.2 A typ. (Pulse-by-pulse method)
Short-circuit protection function
Hiccup control
Phase shift function
Shift the oscillation phase of Ch1 and Ch2 by 180°

LDO regulator block (Ch3)

Output voltage
0.9 V to 3.3 V
Output current
300 mA
Ripple rejection
50 dB typ. (VOUT3(S) = 1.8 V, f =100 kHz)

Overall

Iutput voltage
4 V to 16 V
Output voltage accuracy (Ch1, Ch2, Ch3)
±2.0% (Tj = -40°C to +150°C)
Operation temperature range
Ta = −40°C to +125°C
Under voltage lockout function (UVLO)
3.35 V typ. (detection voltage)
Thermal shutdown function
170°C typ. (detection temperature)
Lead-free (Sn 100%), halogen-free
AEC-Q100 in process*1

*1. Contact our sales representatives for details.

Applications

  • Camera module for automotive
  • For automotive use (engine, transmission, suspension, ABS, related-devices for EV / HEV / PHEV, etc.)

Parts List

  • Product Status : ACTIVENRND
  • U(Ux), S and G at the end of the product name of ABLIC Inc. were used to indicate different material specifications as “environmental code”,
    however, these have now been unified into “lead-free and halogen-free” and are identical in terms of environmental quality.
  • Note: Lead-free plating other than 100% Sn is applied to some limited old products, therefore, please contact our sales representatives for details.
  • These descriptions may be different from the actual product name and parameter.
    Please confirm the product name and specifications with the data sheet again.
  • The information herein is subject to change without notice.