车载用IC

车载用、工作温度125°C、16 V输入、三通道输出、面向相机模块的小型PMIC S-19560B系列

数据表2025/11/25

批量下载文件

可下载与该产品相关的所有文件的压缩文件。

型号一览

Buy Online (Price and Stock)

请联系每家商店了解网上商店的可用性(在线样品)等详细信息。

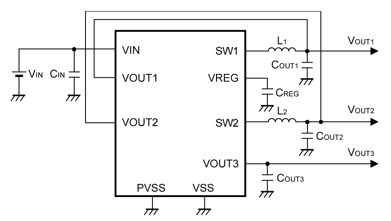
本IC是由双通道的降压开关稳压器 (降压DC-DC控制器) 和单通道的电压稳压器 (LDO稳压器) 构成的面向车载设备的电源管理IC。
最大工作电压高达16 V,各个输出电压可维持±2.0%的高精度。降压DC-DC控制器通过PWM控制工作,可以实现高效率、低纹波电压。还内置有扩频时钟发生电路,可减少传导噪声和放射噪声。
各个输出都内置有保护IC和线圈免受过大负载电流影响的过电流保护电路,防止因发热导致IC受损的热敏关闭电路。各个输出的启动序列固定在IC内部,因此无需通过外部信号进行控制,只需接通电源即可自动、安全地提供给各个输出电压。
采用小型的HSNT-8(2030) 封装,可进行高密度安装,为设备的小型化做出贡献。

热模拟分析服务
使用了本公司的电源IC时,根据用户的使用条件,本公司可提供 “热模拟分析服务”,以支援用户的热设计工作。用户通过灵活应用此热模拟分析服务,可减少在开发阶段的热设计风险。
有关热模拟分析服务的实施详情,请向代理商咨询。

FIT值计算服务
本公司可提供根据用户的使用条件而计算的FIT值,以支援用户设计应对功能安全标准的产品。
有关FIT值计算的实施详情,请向代理商咨询。

注意 本产品可使用于车辆器械、车载器械。考虑使用于车辆器械、车载器械时,请务必与代理商联系。

特点

降压DC-DC控制器部分 (Ch1, Ch2)

输出电压 (Ch1)
3.3 V ~ 5.0 V
输出电压 (Ch2)
0.9 V ~ 3.0V
输出电流 (Ch1)
600 mA
输出电流 (Ch2)
700 mA
振荡频率
2.2 MHz typ.
扩频时钟发生功能
FSSS = +6% typ. (扩展率)
过载电流保护功能
1.2 A typ. (逐脉冲方式)
短路保护功能
Hiccup控制
相移功能
Ch1和Ch2的振荡相移为180°

LDO稳压器部分 (Ch3)

输出电压
0.9 V ~ 3.3 V
输出电流
300 mA
纹波抑制率
50 dB typ. (VOUT3(S) = 1.8 V, f =100 kHz时)

整体

输入电压
4 V ~ 16 V
输出电压精度 (Ch1, Ch2, Ch3)
±2.0% (Tj = -40°C ~ +150°C)
工作温度范围
Ta = −40°C ~ +125°C
欠压锁定功能 (UVLO)
3.35 V typ. (检测电压)
热敏关闭功能
170°C typ. (检测温度)
无铅 (Sn 100%)、无卤素
AEC-Q100标准应对中*1

*1. 详情请与代理商联系。

用途

  • 车载用相机模块
  • 车载用 (引擎、变速器、汽车悬架、ABS、EV / HEV / PHEV关联器械等)

型号一览

  • 产品状态 : ACTIVENRND
  • 过去,产品名称末尾的 U (Ux)、S 和 G 作为环保代码,表示不同的材料规格。现在, 这些代码都已统一为 “无铅、无卤素”,在环保质量方面完全相同。
  • 不过,有些限定的旧产品不含铅,并且采用了 Sn 100% 以外的铅电镀,详情请向我们的销售代表咨询。
  • 上述产品及参数可能与实际不符。请通过数据表再次确认产品名称与规格。
  • 本资料有可能在没有事先通知的情况下发生变更。