車載用IC

車載用 125°C動作 16 V入力 3チャネル出力 カメラモジュール向け小型PMIC S-19560Bシリーズ

製品データシート2025/11/25

資料一括ダウンロード

本製品に関連する資料をzipファイルで
一括ダウンロードいただけます。

型番リスト

オンライン購入 (価格と在庫)

Webshopの在庫状況等の詳細に関しては、各Webshopへお問合せください。

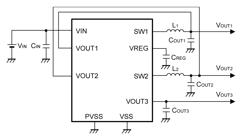
本ICは、2チャネルの降圧スイッチングレギュレータ (降圧DC-DCコンバータ) と1チャネルのボルテージレギュレータ(LDOレギュレータ) で構成された、車載機器向けパワーマネージメントICです。
最大動作電圧が16 Vと高く、各出力電圧は±2.0%の高精度を維持します。降圧DC-DCコンバータは、PWM制御で動作するため、高効率かつ、低リップル電圧を実現します。またスペクトラム拡散型発振回路を内蔵しており、伝導ノイズおよび放射ノイズを低減することが可能です。
各出力は、過大な負荷電流からICやコイルを保護する過電流保護回路や、発熱による破壊を防止するサーマルシャットダウン回路を内蔵しています。各出力の起動シーケンスは、IC内部で固定されているため、外部からの信号による制御は不要で、電源を投入するだけで自動的かつ安全に各出力電圧を供給します。
小型のHSNT-8(2030) パッケージを採用しているため、高密度実装を可能にし、機器の小型化に貢献します。

熱シミュレーションサービス
お客様のご使用条件と弊社電源ICを用いた際の熱設計をサポートするため、”熱シミュレーションサービス” を提供しております。この熱シミュレーションサービスをご活用いただくことで、お客様の開発段階での熱設計におけるリスクの低減に貢献いたします。熱シミュレーションサービスの実施については販売窓口までお問い合わせください。

FIT値のご提供
お客様の機能安全設計をサポートするため、ご使用条件に合わせて算出したFIT値を提供しております。FIT値算出の実施については販売窓口までお問い合わせください。

注意 : 本製品は、車両機器、車載機器へのご使用が可能です。これらの用途でご使用をお考えの際は、必ず販売窓口までご相談ください

特長

降圧DC-DCコンバータ部 (Ch1, Ch2)

出力電圧 (Ch1)
3.3 V ~ 5.0 V
出力電圧 (Ch2)
0.9 V ~ 3.0V
出力電流 (Ch1)
600 mA
出力電流 (Ch2)
700 mA
発振周波数
2.2 MHz typ.
スペクトラム拡散型発振機能
FSSS = +6% typ. (拡散率)
過電流保護機能
1.2 A typ. (パルスバイパルス方式)
短絡保護機能
Hiccup制御
位相シフト機能
Ch1とCh2の発振位相を180°シフト

LDOレギュレータ部 (Ch3)

出力電圧
0.9 V ~ 3.3 V
出力電流
300 mA
リップル除去率
50 dB typ. (VOUT3(S) = 1.8 V, f =100 kHz時)

全体部

入力電圧
4 V ~ 16 V
出力電圧精度 (Ch1, Ch2, Ch3)
±2.0% (Tj = -40°C ~ +150°C)
動作温度範囲
Ta = −40°C ~ +125°C
低電圧誤動作防止機能 (UVLO)
3.35 V typ. (検出電圧)
サーマルシャットダウン機能
170°C typ. (検出温度)
鉛フリー (Sn 100%)、ハロゲンフリー
AEC-Q100進行中*1

*1. 詳細は、販売窓口までお問い合わせください。

用途

  • 車載用カメラモジュール
  • 車載用 (エンジン、トランスミッション、サスペンション、ABS、EV / HEV / PHEV関連機器等)

型番リスト

  • 製品ステータス : ACTIVENRND
  • 製品型名末尾の U(Ux)、S、G は、環境コードとして材料仕様違いを表しておりましたが、現在、全て『鉛フリー、ハロゲンフリー』へ統一され、環境品質的には同一となっております。
  • ※但し、一部の限られた旧製品においては、鉛フリーでSn 100%以外のリードめっきが適用されていますので、詳しくは販売窓口にご確認下さい。
  • 上記製品名およびパラメータは実際とは異なる場合があります。データシートで再度、製品名・仕様をご確認ください。
  • データは予告なく変更されることがあります。