Power Management ICs

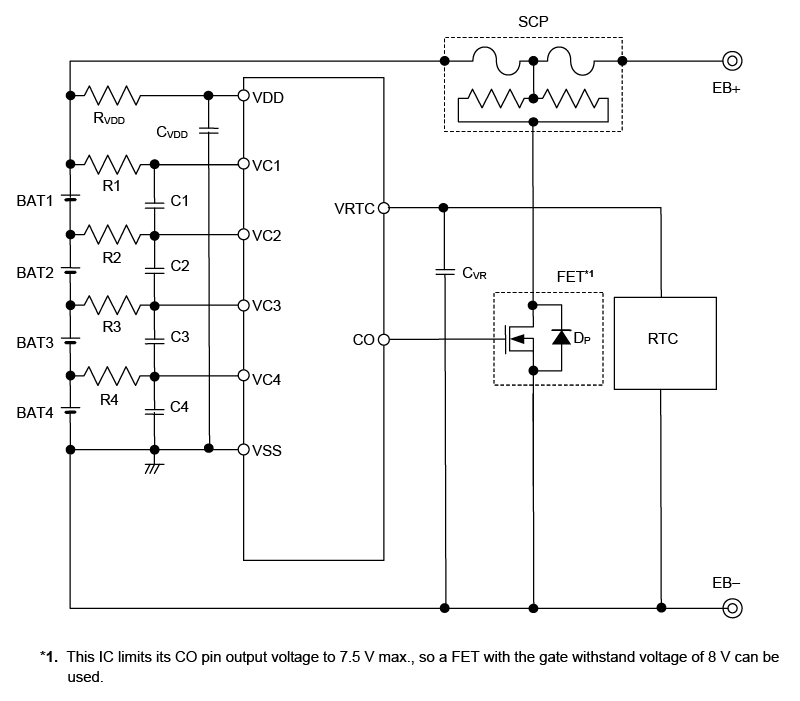
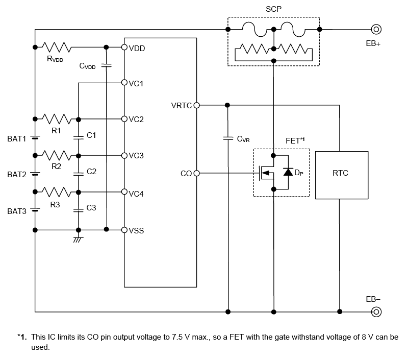
Battery Protection IC for 3-serial or 4-serial Cell Pack with Constant Voltage Output Pin for Real-time Clock (Secondary Protection) S-82H4B Series

This IC is used for secondary protection of lithium-ion rechargeable batteries and incorporates high-accuracy voltage detection circuits and delay circuits.
Short-circuiting between the VC1 and VC2 pins makes it possible to serially connect three cells.
Since this IC also comes with a constant voltage output circuit capable of outputting 1.5 V to 3.3 V, it can be used as a constant-voltage power supply for an external RTC (Real-Time clock IC).

Features

High-accuracy voltage detection circuit for each cell
Overcharge detection voltage n
3.600 V to 5.000 V (5 mV step)
: Accuracy ±15 mV (Ta = +25°C)
: Accuracy ±20 mV (Ta = −10°C to +60°C)
Overcharge release voltage n*1
3.600 V to 5.000 V
: Accuracy ±50 mV
VRTC pin shutdown voltage n
2.500 V to 2.800 V (100 mV step)
: Accuracy ±50 mV
Delay times are generated only by an internal circuit (external capacitors are unnecessary)
Overcharge detection delay time, VRTC pin shutdown delay time: 1 s, 2 s, 4 s, 6 s
Overcharge timer reset function
Available, unavailable
CO pin output voltage is limited to 7.5 V max.
VRTC pin output voltage
1.500 V to 3.300 V (100 mV step)
: Accuracy ±2% (Ta = +25°C)
VRTC pin output current
2 mA max.
Wide operation temperature range
Ta = −40°C to +85°C
Low current consumption
During operation (VCU − 1.0 V for each cell): 4.0 μA max.
During VRTC pin shutdown (VRSD − 1.0 V for each cell): 0.4 μA max.
Lead-free (Sn 100%), halogen-free

*1. Overcharge release voltage = Overcharge detection voltage − Overcharge hysteresis voltage
(Overcharge hysteresis voltage can be selected from a range of 0 mV to 400 mV in 50 mV step.)

Remark 1. The order of battery connection of this IC is limited. Customers who desire a product that does not limit the order of battery connection should consider the S-82K3B/K4B Series of products instead.
2. n = 1, 2, 3, 4

Applications

  • Lithium-ion rechargeable battery packs (for secondary protection)

Parts List

  • Product Status : ACTIVENRND
  • U(Ux), S and G at the end of the product name of ABLIC Inc. were used to indicate different material specifications as “environmental code”,
    however, these have now been unified into “lead-free and halogen-free” and are identical in terms of environmental quality.
  • Note: Lead-free plating other than 100% Sn is applied to some limited old products, therefore, please contact our sales representatives for details.
  • These descriptions may be different from the actual product name and parameter.
    Please confirm the product name and specifications with the data sheet again.
  • The information herein is subject to change without notice.