NEWS & TOPICS Latest News
-
Product Highlights
NEWS 転送あり 三言語フルリビルドテスト 3/25
Learn more
-
Product Highlights
Opitimizing Battery-Powered Devices
The S-5719 Series features a wide power supply voltage range from 1.3V to 3.6V. This makes it well-suited for electronic devices powered by typical lithium-ion batteries (approx. 3.0V), as well as those operating at lower voltages, such as silver oxide batteries (approx. 1.55V).
Learn more
-
Product Highlights
Battery Level Indication without MCU
The S-82F9/82D9 Series can light up 5 or 4 LEDs and monitors voltage to provide a simple indication of the remaining battery level. Integrating multiple voltage monitoring functions into a single IC helps save space in systems. Ooperating without a microcontroller reduces power consumption for battery voltage monitoring.
Learn more
-
Product Highlights
Faster Response, Enhanced Safety
The S-19116xxxA Series achieves the industry’s fastest* detection response of 6.8µs max., all while maintaining a low current consumption of 2.0μA typ. This contributes to enhancing the system safety, elevating automotive safety further.
Learn more
-
Product Highlights
Achieving Significant Power Gains: Practical Applications of Wireless Power Transfer
Two methods for increasing the supplied power in wireless power transfer by simply changing the coils and circuit constants, based on ABLIC's wireless power circuits, are shown.
Learn more
-
Product Highlights
Product Catalog 2025
Our brand-new 2025 catalog is now live. You can download the latest product catalog (PDF).
Learn more
-
Product Highlights
Revamping Automotive Backup Power Performance
Recently, there has been a shift in backup power sources from nickel-metal hydride batteries (Ni-MH batteries) to lithium-ion batteries, which are smaller and lighter. The S-19161A/B Series is the world’s first* automotive 1-cell battery protection IC, making it ideal for protecting lithium-ion batteries used in backup power systems.
Learn more
-
Product Highlights
Elevating the Performance of Core Current Sensors
The industry’s top-class fast response and noise performance achieve high-accuracy core current sensors with minimal detection delay. Furthermore, the magnetic core’s thermal drift compensation enables high accuracy over a wide temperature range.
Learn more
-
Product Highlights
The Next Frontier of Functional Safety
The S-19193 Series can continue monitoring the battery cell when it is overcharged and overdischarged through the standalone operation without a micro controlling.
Learn more
-
Product Highlights
Automotive Battery Protection ICs / EDLC Voltage Monitoring ICs - Achieving Robust Automotive BMS
ABLIC's Automotive Battery Protection ICs / EDLC Voltage Monitoring ICs - Ideal for secondary monitoring systems, achieving robust automotive BMS - Battery Monitoring Independent from MCU/Constant Operation with Low Current Consumption/Certified Development Process/Ease of Decomposition
Learn more
-
Product Highlights
Ensuring Metal-cased Battery Safety with Nch High-side Protection
A standardized ground level simplifies the system design. Triple step-up circuit reduces the on-resistance of FETs and suppresses heat generation during charging. High-accuracy overcurrent/overcharge protection maximizes battery performance without compromising safety. Power-saving pin prevents zero battery charge and deep discharge. NTC thermistor connection pin achieves overheating protection function.
Learn more
-
Product Highlights
Functional Safety Compliance
In ABLIC's automotive products, we have developed products that comply with the "IATF16949" quality management system and the "AEC-Q100" reliability standard for electronic components. Functional safety requirements for semiconductors are increasing, and ABLIC is working to enhance the safety and reliability of automotive products.
Learn more
-
Product Highlights
Achieving Peak DIMM Performance
SPD Hub supporting I2C & I3C communication (JEDEC standard compliant: SPD5118). Contribute to flexible purchasing. Stable communication is achieved. DDR5 SPD EEPROM with Hub built-in temperature sensor.
Learn more
-
Product Highlights
Design Freely: Innovate vehicle power supply design
Ideal for applications that operate when the engine is turned off. Excellent transient response. Achieves both heat countermeasures and a smaller footprint. Automotive Linear Regulator with Reset Function
Learn more
-
Product Highlights
What is a Lithium-ion Battery Protection IC? - Understanding the Role, Functionality, and Importance
A lithium-ion battery protection IC is a specialized IC that includes the necessary functions required for a protection circuit. Based on voltage information received from batteries, chargers, and charge/discharge currents, it controls charge/discharge currents and sends signals to the main system as needed.
Learn more
-
Product Highlights
[Wireless Power ICs] Looking for Rechargeable Batteries or Coils?
Introducing peripheral parts that can be combined with ABLIC's wireless power IC S-847x Series to construct a wireless power supply system.
Learn more
-
Product Highlights
High-speed ADC for Image Processing Systems
In the future, systems will be expected to require instantaneous image recognition, for example within factory automation machines which will require a higher level of data processing to keep up with the demands for elite recognition precision. Therefore, a high-speed AD converter (ADC) that converts analog signals into digital signals with higher precision and speed is essential for the latest cutting-edge systems.
Learn more
-
Product Highlights
Ideal for emergency backup battery & cranking countermeasures S-19990/9 Series
The industry's lowest* operation voltage, SSCG. Ideal for emergency backup battery & cranking countermeasures. Automotive switching regulator controller
Learn more
-
Product Highlights
[Application] ICs Ideal for Traction Inverters
ABLIC offers a comprehensive array of products: such as the Isolated Flyback Controller that supplies power to gate drivers, Voltage Trackers that supply power to Linear Hall effect ICs for current sensing, Battery Monitoring ICs that detect 12V battery overvoltage and undervoltage, and Window Voltage Detectors that monitor MCU.
Learn more
-
Product Highlights
ICs ideal for Data Center
ABLIC offers a lineup of ICs, such as SPD EEPROMs and VPD EEPROMs, which are used in DIMM and SSD memory modules, to help improve the communication performance of memory modules.
Additionally, we offer Hall Effect ICs suitable for fan motors used in cooling devices, as well as Battery Protection ICs for uninterruptible power systems (UPS), which protect devices in the event of a power failure or other emergency.Learn more
-
Product Highlights
Introduction of Battery Protection ICs for 1-cell Pack
Battery protection ICs protect batteries from hazards such as overcharging, overdischarging and overcurrent. ABLIC has been developing and producing battery protection ICs since 1993, and has a track record of approximately 30 years in the industry.
Learn more
-
Product Highlights
Introduction of EEPROMs for SSDs (VPD)
ABLIC provides Vital Product Data (VPD) EEPROMs for SSDs (Solid State Drives).
ABLIC also provides a lineup of temperature sensors ideal for data centers, servers and high-end PCs, and a lineup of VPDs with SMBus ARP (Address Resolution Protocol) function, which support the development of a wide variety of SSDs.Learn more
-
Product Highlights
The ideal small single chip for automotive cameras S-19954/5 Series
Ideal for automotive cameras with the industry's smallest* package, Power Good function, and high efficiency. Automotive switching regulator
Learn more
-
Product Highlights
A Valuable Application for Handheld / Compact Ultrasound Diagnostic Equipment
For more than 15 years, ABLIC’s medical device ICs have been widely used in ultrasound systems in medical institutions and clinics around the world. Our long-standing track record and high reliability of our applications/ICs make them indispensable components for handheld and portable ultrasound systems.
Learn more
-
Product Highlights
ABLIC's Counter ICs
A counter IC is an IC that counts externally input clock pulses. Data counted by an ABLIC counter IC can be accessed using the I2C-BUS interface. The I2C-BUS interface shrinks the size of the counter IC package, which helps simplify peripheral circuits.
Learn more
-
Product Highlights
Contributes to Building Greater Functional Safety of Automotive Devices S-191A/1B/122 Series
The Industry’s Top Class* Fast Detection Response and Manual Reset Function
Learn more
-
Product Highlights
High-accuracy Operational Amplifier Ideal for Current Sensors
A high-accuracy operational amplifier can be used to configure a shunt resistor current sensor, a type of current sensor. Have you experienced design issues such as operational amplifier oscillations, failure to achieve the design goal of detection accuracy or inability to reduce the impact of external noise in such a configuration?
Learn more
-
Product Highlights
Stabilized power ideal for automotive devices S-19222 Series
Provides stable power supplies thanks to the industry’s highest* PSRR and the industry’s fastest* transient response!
Learn more
-
Product Highlights
Introduction - Effortlessly Achieve Wireless Power Transfer! ABLIC's Wireless Power ICs
ABLIC’s S-847x Series is a compact and simple wireless power IC that is not bound by Qi standard. It is ideal for products that require non-contact operation, such as wearable devices and devices used in wet environments.
Learn more
-
Product Highlights
Improves Higher-accuracy Sensing and Safety Design! S-19721 Series
Low Offset Voltage Voltage Tracker IC with Anomaly Notification
Improves Higher-accuracy Sensing and Safety Design!Learn more
-
Product Highlights
[Application] ZCL Hall Effect ICs Ideal for BLDC Motors
What goes under the name of DC motor varies widely in DC motor characteristics, construction and control methods. Thus, it is essential to select a motor that suits the application it is used for/
Learn more
-
Product Highlights
Introduction of Battery Protection ICs for Multi-cell Pack
Battery protection ICs protect batteries from hazards such as overcharging, overdischarging and overcurrent. ABLIC has been developing and producing battery protection ICs since 1993, and has a track record of approximately 30 years in the industry.
Learn more
-
Product Highlights
The industry's Fastest* Detection Response. Improves the safety of automotive devices S-19114xxxA Series
Low Current Consumption Battery Monitoring IC with Industry’s Fastest* Detection Response Improves Safety of Automotive Devices!
Learn more
-
Product Highlights
Introduction – Automotive Real-time Clock (RTC) (Connection example Added)
Learn more
-
Product Highlights
[Application] ICs ideal for Power Closure Systems
Learn more
-
Product Highlights
[Application] ICs ideal for Headlamps & Rear Lamps
Learn more
-
Product Highlights
[Application] ICs ideal for Electric Power Steering Motors (EPS)
Learn more
-
Product Highlights
[Application] ICs ideal for Housing & Industrial Equipment
Learn more
-
Product Highlights
The industry's first* alarm function supports safe, highly efficient fast charging! S-82L1/T1/U1/V1 Series
Learn more
-
Product Highlights
[Application] ICs ideal for automotive Auxiliary Motors for 48V MHEV
Learn more
-
Product Highlights
[Application] ICs ideal for Telematics Control Unit
Learn more
-
Product Highlights
Improves safety through a temperature protection function and shrinks protection circuit board size! S-82B4/5 Series, S-82C4/5 Series
Learn more
-
Product Highlights
Delivers “Small, Simple, High-accuracy” connection diagnosis. S-19682/3 Series
Learn more
-
Product Highlights
[Application] ICs ideal for On Board Chargers
Learn more
-
Product Highlights
Ideal for high-accuracy overcurrent protection and higher safety S-82A2/B2 Series
Learn more
-
Product Highlights
Introduction - Operational Amplifiers and Comparators
Learn more
-
Product Highlights
[Application] ICs ideal for DC/DC Converters
Learn more
-
Product Highlights
Product Catalog 2022
Learn more
-
Product Highlights
High PSRR* minimizes automotive camera modules! S-19255 Series
Learn more
-
Product Highlights
Introduction - Automotive Hall Effect ICs
Learn more
-
Product Highlights
[Application] ICs ideal for 12V BMS
Learn more
-
Product Highlights
The industry's first AEC-Q100 Grade 0 qualified* battery monitoring IC enables highly reliable voltage monitoring! S-191E Series
Learn more
-
Product Highlights
Introduction of EEPROMs for SSDs (VPD) - New product “S-585AA (temperature sensor built in ARP function)“ added
Learn more
-
Product Highlights
Voltage Tracker that contributes to high-accuracy sensing S-19720 Series
Learn more
-
Product Highlights
Introduction - Automotive Power Management ICs
Learn more
-
Product Highlights
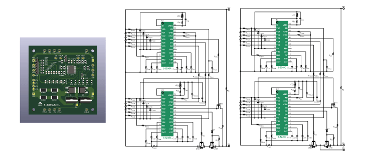
【Released reference design】Battery protection circuit for 6-serial to 10-serial Cell Pack
Learn more
-
Product Highlights
Industry's first* “Supply voltage divided output” contributes to achieving functional safety S-191L/S-191N Series
Learn more
-
Product Highlights
Advantages of High-withstand Voltage Battery Monitoring ICs -Small footprint, reduced standby current and higher accuracy-
Learn more
-
Product Highlights
Contributes to longer battery life and higher safety S-82M1A/N1A/N1B Series
Learn more
-
Product Highlights
Reduces conducted emission to 1/3. The ideal small single chip. S-19914/5 Series
Learn more