Power Management ICs

Battery Protection IC for 3-serial or 4-serial Cell Pack with Constant Voltage Output Pin for Real-time Clock Enabling Any Order of Battery Connection (Secondary Protection) S-82K3B/K4B Series

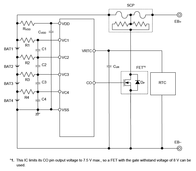
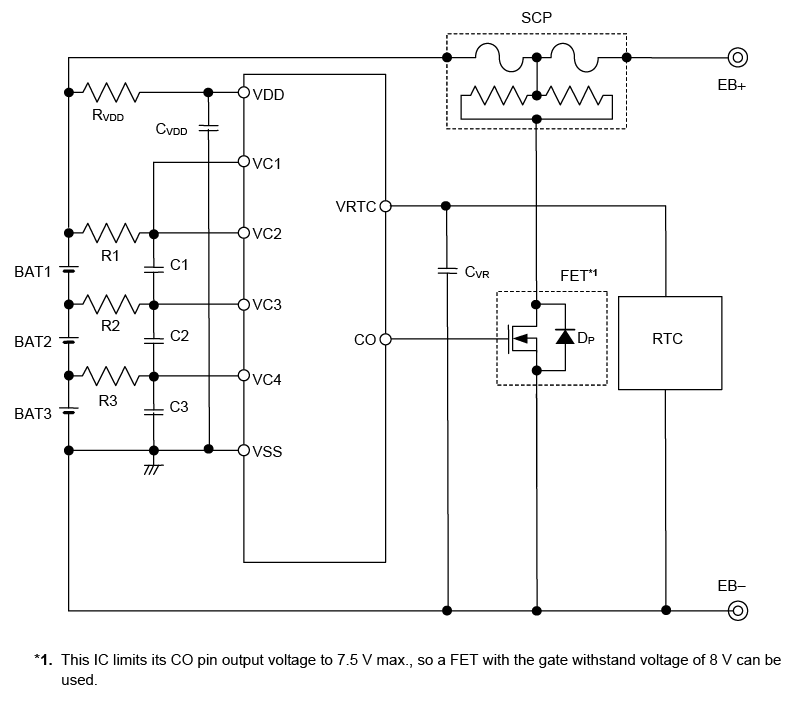
This IC is used for secondary protection of lithium-ion rechargeable batteries, and incorporates high-accuracy voltage detection circuits and delay circuits. The S-82K3B Series enable connection of 3-serial cell, and the S-82K4B Series enable connection of 4-serial cell.
This IC provides a wake-up function to prevent the fuse from blowing during battery connection, and allows the lithium battery to be connected in any order.
Since this IC also comes with a constant voltage output circuit capable of outputting 1.5 V to 3.3 V, it can be used as a constant-voltage power supply for an external RTC (Real-Time clock IC).

Features

High-accuracy voltage detection circuit for each cell
Overcharge detection voltage n
3.600 V to 5.000 V (5 mV step)
: Accuracy ±15 mV (Ta = +25°C)
: Accuracy ±20 mV (Ta = −10°C to +60°C)
Overcharge release voltage n*1
3.600 V to 5.000 V
: Accuracy ±50 mV
VRTC pin shutdown voltage n
2.500 V to 2.800 V (100 mV step)
: Accuracy ±50 mV
The wake-up function monitoring battery connection prevents CO pin output errors during battery connection
Delay times are generated only by an internal circuit (external capacitors are unnecessary)
Overcharge detection delay time, VRTC pin shutdown delay time: 1 s, 2 s, 4 s, 6 s
Overcharge timer reset function
Available, unavailable
CO pin output voltage is limited to 7.5 V max.
VRTC pin output voltage
1.500 V to 3.300 V (100 mV step)
: Accuracy ±2% (Ta = +25°C)
VRTC pin output current
2 mA max.
Wide operation temperature range
Ta = −40°C to +85°C
Low current consumption
During operation (VCU − 1.0 V for each cell): 4.0 μA max.
During VRTC pin shutdown (VRSD − 1.0 V for each cell): 1.0 μA max.
Lead-free (Sn 100%), halogen-free

*1. Overcharge release voltage = Overcharge detection voltage − Overcharge hysteresis voltage
(Overcharge hysteresis voltage can be selected from a range of 0 mV to 400 mV in 50 mV step.)

Remark n = 1, 2, 3, 4

Applications

  • Lithium-ion rechargeable battery packs (for secondary protection)

Parts List

  • Product Status : ACTIVENRND
  • U(Ux), S and G at the end of the product name of ABLIC Inc. were used to indicate different material specifications as “environmental code”,
    however, these have now been unified into “lead-free and halogen-free” and are identical in terms of environmental quality.
  • Note: Lead-free plating other than 100% Sn is applied to some limited old products, therefore, please contact our sales representatives for details.
  • These descriptions may be different from the actual product name and parameter.
    Please confirm the product name and specifications with the data sheet again.
  • The information herein is subject to change without notice.