ABLIC初 カスケード機能搭載で電圧監視基板の小型化、業界最高レベルの高精度で安全性向上に貢献
ミネベアミツミグループのエイブリック株式会社(社長:田中 誠司、本社:東京都港区、以下:「ABLIC」)は本日より、セカンドプロテクト用ICとしてエイブリック初となるカスケード機能を搭載し、6セル以上の電圧監視の部品点数を従来の30%程度の点数で実現した、3セルから5セル直列用セカンドプロテクト用IC「S-82K5B /M5Bシリーズ」の販売を開始しました。
セカンドプロテクト用ICは、電動工具、クリーナー、電動自転車等の高電圧が必要、かつ、高い安全性が要求されるアプリケーションに幅広く用いられています。
セカンドプロテクト用ICは外部信号によってヒューズを溶断させるプロテクションヒューズと組み合わせて使用され、過充電が発生した際にセカンドプロテクト用ICからの信号によってプロテクションヒューズを溶断し、充電電流経路を遮断することで機器の安全性を確保します。従来のセカンドプロテクト用ICでは監視可能な電池数が5セル直列までであり、それ以上の電池の直列数を監視する場合は多数の外付け部品が必要とされていました。
本日発売した新製品「S-82K5B /M5Bシリーズ」は、3セル~5セル直列用のセカンドプロテクト用ICで、(1)カスケード機能(複数のICを接続することで、1つの保護ICで対応可能なバッテリーの最大数を超える数のバッテリーを保護する機能)を搭載し、従来より大幅に少ない部品構成で6セル直列以上の二次電池の電圧監視を実現したこと、(2)IC間通信のオープン検出回路(※1)を搭載し、より安全な電圧監視が可能なこと、(3)過充電検出電圧精度±20mVのS-82K5Bシリーズと業界最高(※2)の高精度±15mVを実現したS-82M5Bシリーズの2製品をラインナップし、お客様のニーズに柔軟に対応できることなどが特長となっています。
ABLICは、今後もリチウムイオンバッテリー保護ICにおいて、当社の技術力とノウハウを最大限に活用し、さらなる高精度化・高機能化を目指すとともに、多くの分野のアプリケーションに対応できる製品展開を図っていきます。
(※1) オープン検出回路とは、実装不良による部品の損失や端子の接触不良や断線といった故障を検出する回路
(※2) 2024年3月 当社調べ

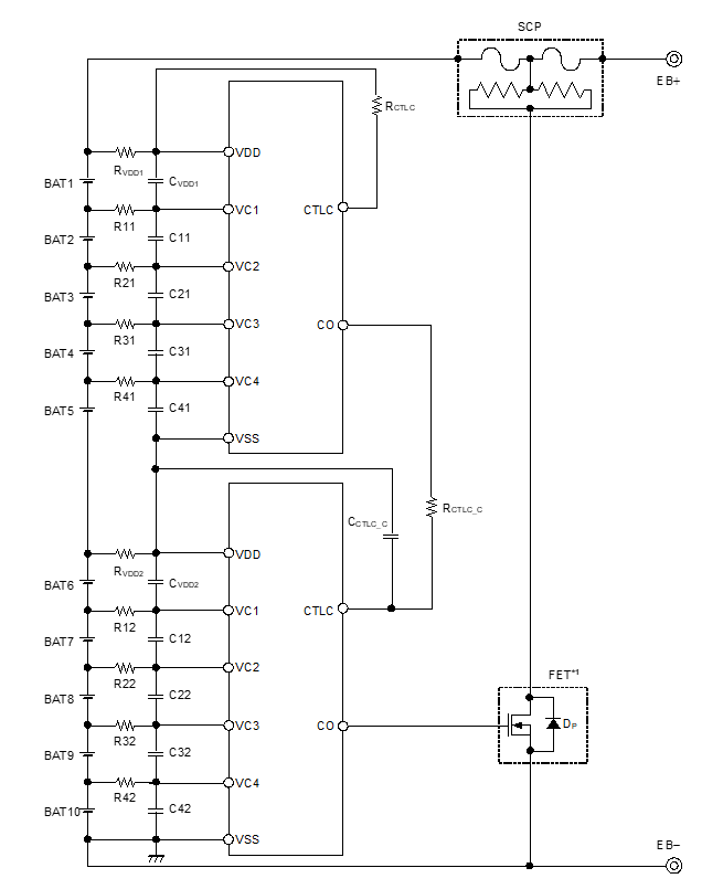
図S-82K5B /M5Bシリーズを用いた10セル直列時の保護回路例
【主な特長】
- カスケード機能を搭載により6セル直列以上の電圧監視が従来の30%程度の部品点数で可能
6セル直列以上の電圧監視を実現するためカスケード機能を搭載しました。これにより従来と比較し外付け部品点数を30%程度にまで削減することが可能となるため、基板サイズの小型化が可能となり、機器そのものの小型化にも貢献します。
- IC間通信のオープン故障を検出する回路を搭載
カスケード機能を使用する際の故障モードとしてIC間を通信する配線のオープン故障が想定されます。S-82K5BシリーズとS-82M5Bシリーズは通信回路がオープンになった際に異常を検出するオープン故障検出回路を搭載しています。この機能により使用される機器の安全性の向上に貢献します。
-
業界最高レベルの電圧検出精度の2製品をラインナップ
過充電検出電圧精度は高精度±20mVのS-82K5Bシリーズと、超高精度±15mVのS-82M5Bシリーズと2製品をラインナップし、お客様のニーズにより最適な検出電圧精度を選択することが可能です。また、-10℃から60℃までの温度特性も良好であり、S-82K5Bシリーズは±25mV、S-82M5Bシリーズは±20mVと業界最高(※3)の温度特性となっており機器の安全性と充電効率の向上に貢献します。(※3) 2024年3月 当社調べ
【主な仕様】
| ・6セル直列以上を監視が可能なカスケード機能搭載 |
|---|
| ・過充電検出電圧 |
| 3.50 ~ 4.70V S-82K5Bシリーズ ±20mV(25℃)、±25mV(-10~60℃) S-82M5Bシリーズ ±15mV(25℃)、±20mV(-10~60℃) |
| ・動作時消費電流 |
| 5µA max. |
| ・CO端子出力電圧7.5Vmaxのため、低ゲート耐圧FETの使用可 |
| ・最大定格 |
| 28V |
| ・動作温度 |
| -40~+85℃ |
| ・パッケージ |
| TMSOP-8 、SNT-8A |
【用途例】
リチウムイオン二次電池パック、リチウムポリマー二次電池パック
【搭載製品例】
![]()
【製品詳細】
S-82K5B :
https://www.ablic.com/jp/semicon/datasheets/power-management-ic/lithium-ion-battery-protection-ic/s-82k5b/
S-82M5B :
https://www.ablic.com/jp/semicon/datasheets/power-management-ic/lithium-ion-battery-protection-ic/s-82m5b/
【Webサイト】
本製品は、環境貢献に優れた製品としてミネベアミツミグループの「グリーンプロダクツ」に認定された製品です。詳しくはこちらをご覧ください。
この件に関するお問い合わせは、下記にお願いいたします。
【報道関係のお問い合わせ】
エイブリック株式会社
コーポレート コミュニケーション
TEL:03-5877-2011 / e-mail : pr@ablic.com
【一般のお問い合わせ】
エイブリック株式会社 販売代理店
https://www.ablic.com/jp/semicon/sales/distributors/