電源用IC

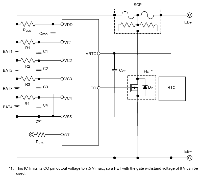
RTC用定電圧出力端子、CTL端子付き 3セル / 4セル直列用バッテリー保護IC (セカンドプロテクト用) S-82L4Aシリーズ

本ICは、高精度電圧検出回路と遅延回路を内蔵したリチウムイオン二次電池セカンドプロテクト用ICです。
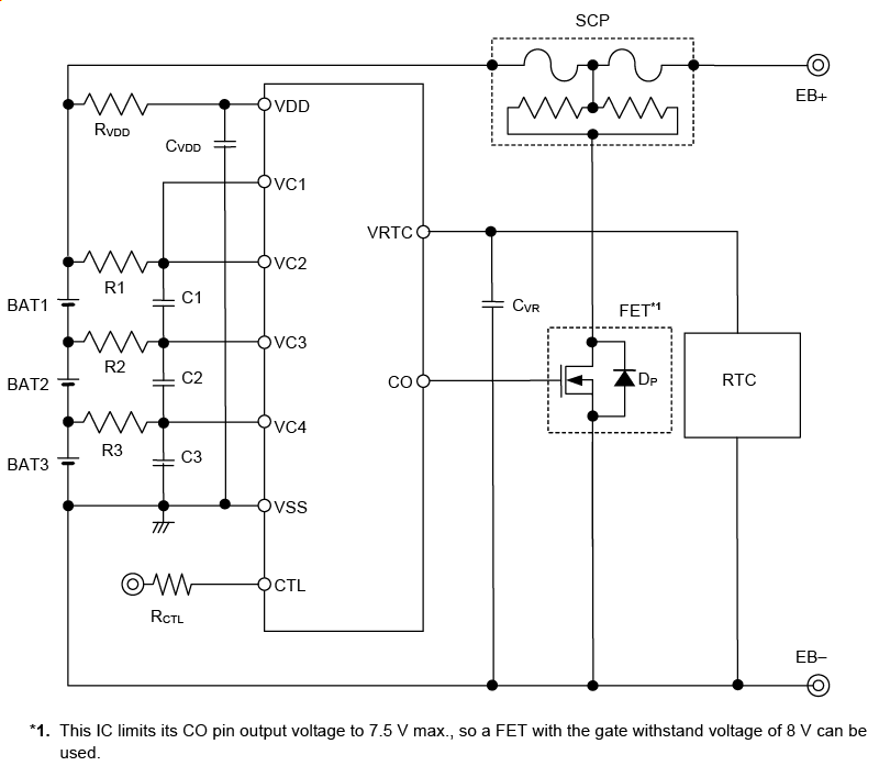
VC1端子 − VC2端子間をショートすることにより、3セル直列接続に対応できます。
また、本ICは1.5 V ~ 3.3 Vの出力が可能な定電圧出力回路を搭載しているため、外付けRTC (リアルタイムクロックIC) の定電圧電源として使用できます。

特長

各セルに対する高精度電圧検出回路
過充電検出電圧n
3.600 V ~ 5.000 V (5 mVステップ)
: 精度±15 mV (Ta = +25°C)
: 精度±20 mV (Ta = −10°C ~ +60°C)
過充電解除電圧n*1
3.600 V ~ 5.000 V
: 精度±50 mV
VRTC端子シャットダウン電圧n
2.500 V ~ 2.800 V (100 mVステップ)
: 精度±50 mV
遅延時間は内蔵回路のみで実現 (外付け容量は不要)
過充電検出遅延時間、VRTC端子シャットダウン遅延時間 : 1 s, 2 s, 4 s, 6 s
CTL端子による出力制御機能 (CTL端子は内部でプルダウン)
過充電タイマリセット機能
あり、なし
CO端子出力電圧を7.5 V max.に制限
VRTC端子出力電圧
1.500 V ~ 3.300 V (100 mVステップ)
: 精度±2% (Ta = +25°C)
VRTC端子出力電流
2 mA max.
広動作温度範囲
Ta = −40°C ~ +85°C
低消費電流
動作時 (各セルVCU − 1.0 V) : 4.0 μA max.
VRTC端子シャットダウン時 (各セルVRSD − 1.0 V) : 0.4 μA max.
鉛フリー (Sn 100%)、ハロゲンフリー

*1. 過充電解除電圧 = 過充電検出電圧 − 過充電ヒステリシス電圧
(過充電ヒステリシス電圧は、0 mV ~ 400 mVの範囲内にて50 mVステップで選択可能)

備考 1. 本ICは電池接続順が制限されます。電池接続順を制限しない製品をご希望の場合は、S-82M3A/M4Aシリーズをご検討ください。
2. n = 1, 2, 3, 4

用途

  • リチウムイオン二次電池 (セカンドプロテクト用)

型番リスト

  • 製品ステータス : ACTIVENRND
  • 製品型名末尾の U(Ux)、S、G は、環境コードとして材料仕様違いを表しておりましたが、現在、全て『鉛フリー、ハロゲンフリー』へ統一され、環境品質的には同一となっております。
  • ※但し、一部の限られた旧製品においては、鉛フリーでSn 100%以外のリードめっきが適用されていますので、詳しくは販売窓口にご確認下さい。
  • 上記製品名およびパラメータは実際とは異なる場合があります。データシートで再度、製品名・仕様をご確認ください。
  • データは予告なく変更されることがあります。