電源用IC

RTC用定電圧出力端子、CTL端子付き 電池接続順フリー 3セル / 4セル直列用 バッテリ-保護IC (セカンドプロテクト用) S-82M3A/M4A シリーズ

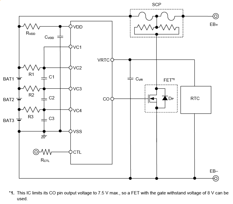
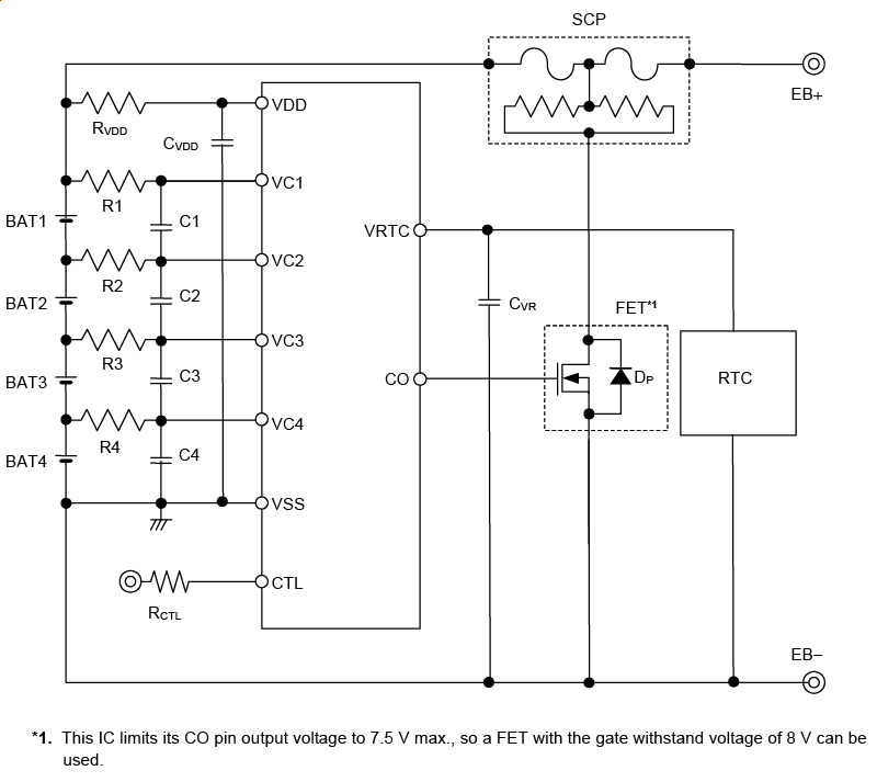
本ICは、高精度電圧検出回路と遅延回路を内蔵したリチウムイオン二次電池セカンドプロテクト用ICです。S-82M3Aシリーズは3セル直列接続、S-82M4Aシリーズは4セル直列接続に対応できます。
電池接続時のプロテクションヒューズ溶断を防止するウェイクアップ機能を搭載しており、電池接続順を自由に設定することが可能です。
また、本ICは1.5 V ~ 3.3 Vの出力が可能な定電圧出力回路を搭載しているため、外付けRTC (リアルタイムクロックIC) の定電圧電源として使用できます。

特長

各セルに対する高精度電圧検出回路
過充電検出電圧n
3.600 V ~ 5.000 V (5 mVステップ)
: 精度±15 mV (Ta = +25°C)
: 精度±20 mV (Ta = −10°C ~ +60°C)
過充電解除電圧n*1
3.600 V ~ 5.000 V
: 精度±50 mV
VRTC端子シャットダウン電圧n
2.500 V ~ 2.800 V (100 mVステップ)
: 精度±50 mV
電池接続を監視するウェイクアップ機能により電池接続時のCO端子の誤出力を防止
遅延時間は内蔵回路のみで実現 (外付け容量は不要)
過充電検出遅延時間、VRTC端子シャットダウン遅延時間 : 1 s, 2 s, 4 s, 6 s
CTL端子による出力制御機能 (CTL端子は内部でプルダウン)
過充電タイマリセット機能
あり、なし
CO端子出力電圧を7.5 V max.に制限
VRTC端子出力電圧
1.500 V ~ 3.300 V (100 mVステップ)
: 精度±2% (Ta = +25°C)
VRTC端子出力電流
2 mA max.
広動作温度範囲
Ta = −40°C ~ +85°C
低消費電流
動作時 (各セルVCU − 1.0 V) : 4.0 μA max.
VRTC端子シャットダウン時 (各セルVRSD − 1.0 V) : 1.0 μA max.
鉛フリー(Sn 100%)、ハロゲンフリー

*1. 過充電解除電圧 = 過充電検出電圧 − 過充電ヒステリシス電圧
(過充電ヒステリシス電圧は、0 mV ~ 400 mVの範囲内にて50 mVステップで選択可能)

備考 n = 1, 2, 3, 4

用途

  • リチウムイオン二次電池 (セカンドプロテクト用)

型番リスト

  • 製品ステータス : ACTIVENRND
  • 製品型名末尾の U(Ux)、S、G は、環境コードとして材料仕様違いを表しておりましたが、現在、全て『鉛フリー、ハロゲンフリー』へ統一され、環境品質的には同一となっております。
  • ※但し、一部の限られた旧製品においては、鉛フリーでSn 100%以外のリードめっきが適用されていますので、詳しくは販売窓口にご確認下さい。
  • 上記製品名およびパラメータは実際とは異なる場合があります。データシートで再度、製品名・仕様をご確認ください。
  • データは予告なく変更されることがあります。