Integrated charge and discharge path circuits | Separate charge and discharge paths circuits
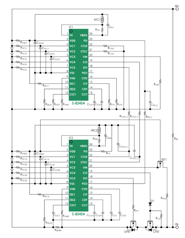
The S-8245A Series are protection ICs for multi-serial cell lithium-ion rechargeable batteries featuring integrated high-accuracy voltage detection and delay circuits. The figure below is a circuit example showing how a cascade connection of the IC can be used to protect an 6-serial cell lithium-ion rechargeable battery pack.
Refer to the application notes for information on design caveats and constants for external components.
Overview
- Introducing the S-8245A Series of 6-serial cell lithium-ion rechargeable battery protection circuits in a cascade connection
- These ICs are stand-alone products that can protect lithium-ion rechargeable batteries without the need for a microcontroller
Features
- Overcharge detection
- Overdischarge detection
- Three-level discharge overcurrent detection (Discharge overcurrent 1 detection, Discharge overcurrent 2 detection, Load short-circuiting detection)
- Charge overcurrent detection
- Temperature detection is possible at four different points by connecting an NTC (High temperature detection ratio during charging / discharging, Low temperature detection ratio during charging / discharging)
- 0 V battery charge function is selectable (Available or unavailable)
- Charge/discharge current control employs Nch FET low side control system
Applications
- 21.6V battery pack
- Cordless power tools
- Cordless gardening tool
- Cordless cleaner
- Robot cleaner
- Portable storage battery
- Drone
- UPS (uninterruptible power supply)
Webshop (Online Samples)
Evaluation boards (Inquiry)
Make inquiries about evaluation boards here.
Caution
- The above connection example may be changed without notice.
- It has not been confirmed whether the operation is normal or not in circuits other than the above connection example. The connection example shown above will not guarantee successful operation.
