NEWS & TOPICS Latest News

ABLIC launches the S-82K5B/M5B Series; ABLIC's first secondary protection ICs with cascade function for power tools and e-bikes

—These ICs reduce voltage monitoring board size, provide the industry's highest level of accuracy and contribute to improved safety —

 

 

 ABLIC (President: Seiji Tanaka, Head office: Minato-ku, Tokyo hereinafter “ABLIC”), a group company of MinebeaMitsumi Inc., today launched the S-82K5B/M5B Series secondary protection ICs for 3 to 5 serially connected cells, which are ABLIC's first secondary protection ICs with an integrated cascade function that can reduce the number of components required for monitoring of batteries with 6 or more serially connected cells by approximately 30% compared to conventional products.
 Secondary protection ICs are used in a wide range of applications which require high voltage such as power tools, vacuum cleaners, and e-bikes, and applications that require a high degree of safety.
 Secondary protection ICs are used in combination with protection fuses which blow when an external signal is received. When an overcharge occurs, a signal from the secondary protection IC causes the fuse to blow and break the charging current path to protect connected devices. Conventional secondary protection ICs could monitor batteries with up to 5 serially connected cells but required a large number of external components to monitor larger numbers of serially connected cells.
 The new S-82K5B/M5B Series launched today is a secondary protection IC for 3 to 5 serially connected cells with the following features: (1) A cascade function (a function which enables connection protection of more batteries than the maximum number of batteries that a single protection IC can protect) which makes it possible to carry out voltage monitoring of rechargeable batteries with 6 or more serially connected cells using far fewer components than conventional products; (2) an open detection circuit (*1) which detects communication failures between ICs to enable safer voltage monitoring; (3) a lineup of two products to ensure that we can flexibly respond to customer needs: the S-82K5B Series with ±20mV overcharge detection voltage accuracy, and the S-82M5B with the industry's highest (*2) accuracy of ±15mV.
 Going forward, ABLIC will continue to leverage our technology and knowhow to develop lithium-ion battery protection ICs with even greater accuracy and higher performance and to release products for applications in a wide range of fields.

(*1) An open detection circuit is a circuit which can detect failures such as component damage, poor pin contact, or disconnection caused by poor mounting.
(*2) Based on our research as of March 2024 

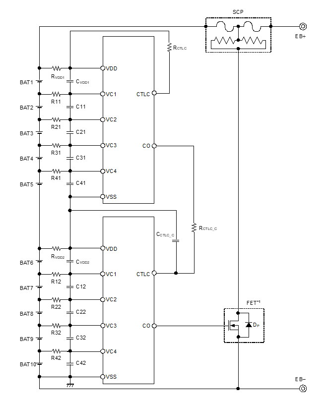
Example protection circuit for 10 serially connected cells using the S-82K5B/M5B Series

 

Major Features 

  1. Ability to monitor voltage for 6 or more serially connected cells using 30% fewer parts than conventional products thanks to the integrated cascade function
    A cascade function is provided to enable voltage monitoring for 6 or more serially connected cells. This function makes it possible to reduce the number of parts by 30% compared to conventional products to reduce board size and device size.
  2. Circuit for detecting open failures in communication between ICs
    An open failure in the wiring used to communicate between ICs is a potential failure mode when using the cascade function. The S-82K5B and the S-82M5B Series are equipped with an open failure detection circuit to detect open failures in communication circuits. This function helps improve the safety of used devices.
  3. A lineup of two devices which provide the industry's highest level of voltage detection accuracy
    We offer a lineup of two devices: the S-82K5B Series with an extremely high overcharge detection voltage accuracy of ±20mV and the S-82M5B Series with an ultra-high detection voltage accuracy of ±15mV; to enable customers to select products with detection voltage accuracy that best suits their needs. In addition, both devices offer excellent temperature characteristics between -10°C to 60°C, and the S-82K5B Series' ±25mV and S-82M5B Series' ±20mV are the industry's highest (*3) temperature characteristics and have helped to further improve both device safety and charging efficiency.
    (*3) Based on our research as of March 2024

 

Major Specifications

・ A cascade function that allows for monitoring of 6 or more serially connected cells
・Overcharge detection voltage
   3.50 to 4.70V, 
   S-82K5B Series: ±20mV (25°C), ±25mV (-10 to 60°C)
      S-82M5B Series: ±15mV (25°C), ±20mV (-10 to 60°C)
・ Current consumption during operation
      5μA max.
・The CO pin output voltage is 7.5V max. so a low gate withstand voltage FET can be used
· Maximum rating
     28V
・ Operating temperature
     -40 to +85°C
· Packages
     TMSOP-8, SNT-8A

 

Application Examples 

Lithium-ion rechargeable battery packs, lithium polymer rechargeable battery packs

 

Examples of products using these ICs

Power tools, vacuum cleaners, e-bikes, etc.

   

 

 

S-82K5B/M5B Series Product details

S-82K5B :
https://www.ablic.com/en/semicon/datasheets/power-management-ic/lithium-ion-battery-protection-ic/s-82k5b/
S-82M5B :
https://www.ablic.com/en/semicon/datasheets/power-management-ic/lithium-ion-battery-protection-ic/s-82m5b/

 

Website

 https://www.ablic.com/

 

This product has been certified as a MinebeaMitsumi Group "Green Product" for its outstanding contribution to the environment.

 

 

Contacts

ABLIC Inc.
Masae Onuma
E-mail: pr@ablic.com
https://hub.ablic.com/en/pr-inquiry?rf=support
Newsroom: www.mynewsdesk.com/ablic