— ICs with a temperature protection function, the smallest number of external components in the industry and the industry's smallest class of packages improve safety and reduce circuit board size—
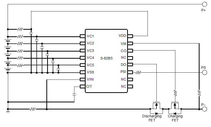
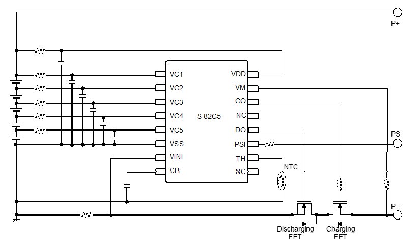
ABLIC (President: Nobumasa Ishiai, head office: Minato-ku, Tokyo hereinafter “ABLIC”), a group company of MinebeaMitsumi Inc. today launched the S-82B4/B5 Series and the S-82C4/C5 Series of 4-/5-serial cell battery protection ICs with a temperature protection function (*1), the smallest number of external components in the industry (*2) and the industry's smallest class of packages (*3).
The new 4-/5-Serial Cell S-82B4/B5 Series and the S-82C4/C5 Series of battery protection ICs launched today provide the following features:
(1) a temperature protection function in addition to regular overcharge, overdischarge and overcurrent protection functions to enable the configuration of safer protection circuits (S-82C4/C5 Series),
(2) a power saving function that prevents loss of battery pack capacity from standby current during warehousing (a feature common to all series),
(3) few external parts and use of the industry's smallest class of packages reduce protection circuit board size (a feature common to all series).
(*1) S-82C4/C5 Series
(*2) Based on our research as of July 2022
(*3) For 4-cell/5-cell ICs. Based on our research as of July 2022


Major Features
- The temperature protection function enables 4-point temperature monitoring
(S-82C4/C5 Series) - The power-saving function prevents loss of capacity from standby current
- Few external parts and the industry's smallest class of packages have reduced the size of
the protection circuit board!
Application Examples
Lithium-ion rechargeable battery packs, lithium polymer rechargeable battery packs
Examples of products using these ICs
Cordless fan, Power tool, Drone, etc.
![]()
S-82B4/B5, S-82C4/C5 Product details
https://hub.ablic.com/en/products/s-82b4-5-82c4-5
Website
This product has been certified as a MinebeaMitsumi Group "Green Product" for its outstanding contribution to the environment.
Contacts
ABLIC Inc.
Masae Onuma
E-mail: pr@ablic.com
https://hub.ablic.com/en/pr-inquiry?rf=support