Power Management ICs

High-frequency, PWM Control Step-up Switching Regulator Controller (Boost DC-DC Converter) S-8337/8338 Series

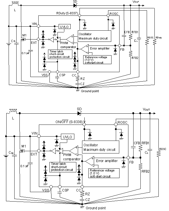
The S-8337/38 series is a CMOS step-up switching regulator (DC-DC Converter ICs) which mainly consists of a reference voltage circuit, an oscillator, an error amplifier, a PWM controller, an under voltage lockout circuit (UVLO), and a timer latch short-circuit protection circuit. Because its minimum operating voltage is as low as 1.8 V, this switching regulator (DC-DC Converter ICs) is ideal for the power supply of an LCD or for portable systems that operate on a low voltage. The internal oscillation frequency can be set up to 1.133 MHz, via the resistor connected to the ROSC pin.
With the S-8337 series, the maximum duty ratio of PWM control can be controlled by the resistor connected to the RDuty pin. With the S-8338 series, the maximum duty ratio is fixed (to 88%). The phase compensation and gain value can be adjusted according to the values of the resistor and capacitor connected to the CC pin. Therefore, the operation stability and transient response can be correctly set for each application. The reference voltage accuracy is as high as 1.0 V ±1.5%, and any voltage can be output by using an external output voltage setting resistor.
In addition, the delay time of the short-circuit protection circuit can be set by using the capacitor connected to the CSP pin. If the maximum duty condition continues because of short-circuiting, the capacitor externally connected to the CSP pin is charged, and oscillation stops after a specific time. This condition is cleared by re-application of power or by setting the switching regulator(DC-DC Converter ICs) (S-8338 series) to the shutdown status. A ceramic capacitor or a tantalum capacitor is used as the output capacitor, depending on the setting. This controller IC allows various settings and selections and employs a small package, making it very easy to use.

Features

Low voltage operation
1.8 V to 6.0 V
Oscillation frequency
286 kHz to 1.133 MHz (selectable by external resistor)
Maximum duty
47 to 88.5% (selectable by external resistor) (S-8337 series)
Fixed to 88% typ. (S-8338 series)
Reference voltage
1.0 V±1.5%
UVLO (under-voltage lockout) function
Detection voltage can be selected from between 1.5 V and 2.3 V in 0.1 V steps.
Hysteresis width can be selected from between 0.1 V and 0.3 V in 0.1 V steps.
Timer latch short-circuit protection circuit
Delay time can be set using an external capacitor.
Soft-start function
Soft-start time can be selected in three steps, 10 ms, 15 ms, and 20 ms.
Phase compensation external setting
Adjustable by connecting resistor and capacitor in series to GND.
Shutdown function
S-8338 series, shutdown current consumption: 1.0 µA max.
Lead-free products

Applications

  • Power supplies for LCDs and CCDs
  • Power supplies for portable equipment

Standard Circuit

Standard Circuit

Parts List

  • Product Status : ACTIVENRND
  • U(Ux), S and G at the end of the product name of ABLIC Inc. were used to indicate different material specifications as “environmental code”,
    however, these have now been unified into “lead-free and halogen-free” and are identical in terms of environmental quality.
  • Note: Lead-free plating other than 100% Sn is applied to some limited old products, therefore, please contact our sales representatives for details.
  • These descriptions may be different from the actual product name and parameter.
    Please confirm the product name and specifications with the data sheet again.
  • The information herein is subject to change without notice.