Power Management ICs

Battery Protection IC with Battery Voltage Monitoring Pin for 1-Cell Pack S-82R1A Series

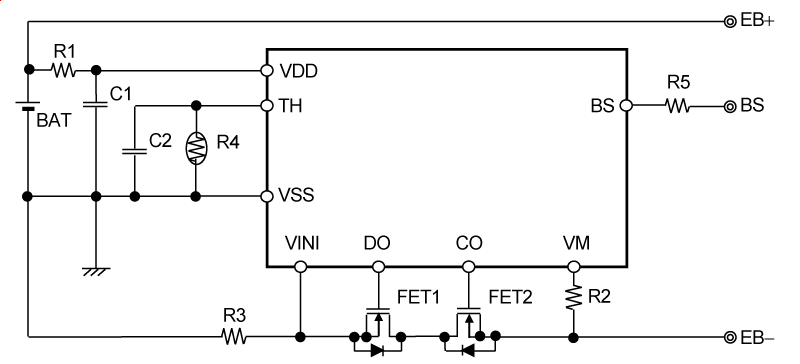
Resistance between BS pin and VSS pin: 5kΩ typ. (S-82R1A)  | 50Ω typ. (S-82S1A)

This IC is a protection IC for lithium-ion / lithium polymer rechargeable batteries, which includes high-accuracy voltage detection circuits and delay circuits. It is suitable for protecting 1-cell lithium-ion / lithium polymer rechargeable battery packs from overcharge, overdischarge, and overcurrent.
Overheat protection is possible by connecting an NTC thermistor to the NTC thermistor connection pin (TH pin.)
The battery voltage monitoring pin (BS pin) enables accurate voltage monitoring.

Features

With battery voltage monitoring pin
High-accuracy overheat protection circuit by an external NTC thermistor
Overheat detection temperature
: +45°C to +85°C (1°C step)
Accuracy ±3°C*1
High-accuracy voltage detection circuit
Overcharge detection voltage
: 3.500 V to 4.800 V (5 mV step)
Accuracy ±15 mV
Overcharge release voltage
: 3.100 V to 4.800 V*2
Accuracy ±50 mV
Overdischarge detection voltage
: 2.000 V to 3.000 V (10 mV step)
Accuracy ±50 mV
Overdischarge release voltage
: 2.000 V to 3.400 V*3
Accuracy ±75 mV
Discharge overcurrent 1 detection voltage
: 3 mV to 100 mV (0.5 mV step)
Accuracy ±1.5 mV
Discharge overcurrent 2 detection voltage
: 10 mV to 100 mV (0.5 mV step)
Accuracy ±3 mV
Load short-circuiting detection voltage
: 20 mV to 100 mV (1 mV step)
Accuracy ±5 mV
Charge overcurrent detection voltage
: -100 mV to -3 mV (0.5 mV step)
Accuracy ±1.5 mV
Detection delay times are generated only by an internal circuit (external capacitors are unnecessary).
Discharge overcurrent control function
Release condition of discharge overcurrent status: Load disconnection
Release voltage of discharge overcurrent status: Discharge overcurrent release voltage (VRIOV) = VDD × 0.8 (typ.)
0 V battery charge
Enabled, inhibited
Power-down function
Available, unavailable
High-withstand voltage
VM pin and CO pin: Absolute maximum rating 28 V
Wide operation temperature range
Ta = -40°C to +85°C
Low current consumption
During operation: 4.5 μA typ., 6.0 μA max. (Ta = +25°C)
During power-down: 50 nA max. (Ta = +25°C)
During overdischarge: 0.5 μA max. (Ta = +25°C)
Lead-free (Sn 100%), halogen-free

*1. Temperature detection accuracy varies with NTC thermistor specifications.
When an NTC thermistor is connected, the detection temperature and accuracy can be achieved.

*2. Overcharge release voltage = Overcharge detection voltage - Overcharge hysteresis voltage
(Overcharge hysteresis voltage can be selected as 0 V or from a range of 0.1 V to 0.4 V in 50 mV step.)

*3. Overdischarge release voltage = Overdischarge detection voltage + Overdischarge hysteresis voltage
(Overdischarge hysteresis voltage can be selected as 0 V or from a range of 0.1 V to 0.7 V in 100 mV step.)

Applications

  • Lithium-ion rechargeable battery pack
  • Lithium polymer rechargeable battery pack

Parts List

  • Product Status : ACTIVENRND
  • U(Ux), S and G at the end of the product name of ABLIC Inc. were used to indicate different material specifications as “environmental code”,
    however, these have now been unified into “lead-free and halogen-free” and are identical in terms of environmental quality.
  • Note: Lead-free plating other than 100% Sn is applied to some limited old products, therefore, please contact our sales representatives for details.
  • These descriptions may be different from the actual product name and parameter.
    Please confirm the product name and specifications with the data sheet again.
  • The information herein is subject to change without notice.