Power Management ICs

Battery Monitoring IC for 3-serial to 5-serial Cell Pack S-82F5B Series

Overcharge detection voltage accuracy : ±15mV (S-82H5B) | ±20mV (S-82F5B)

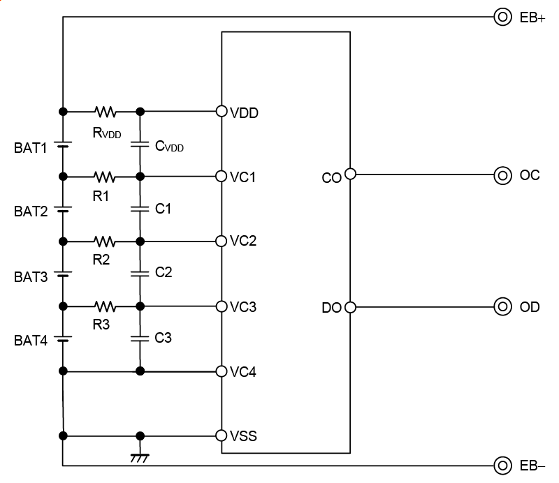
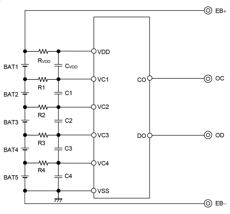
This IC includes high-accuracy voltage detection circuits and delay circuits, and can monitor the status of 3-serial to 5-serial cell lithium-ion rechargeable batteries through small 8-pin packages.
Short-circuiting between cells makes it possible for serial connection of 3-cell to 5-cell.

Features

High-accuracy voltage detection circuit for each cell
Overcharge detection voltage n
3.500 V to 4.700 V (5 mV step)
: Accuracy ±20 mV (Ta = +25°C)
: Accuracy ±25 mV (Ta = −10°C to +60°C)
Overcharge release voltage n*1
3.100 V to 4.700 V
: Accuracy ±50 mV
Overdischarge detection voltage n
1.500 V to 3.200 V (50 mV step)
: Accuracy ±80 mV
Overdischarge release voltage n*2
1.500 V to 3.900 V (100 mV step)
: Accuracy ±100 mV
Delay times are generated only by an internal circuit (external capacitors are unnecessary)
Overcharge detection delay time: 0.5 s, 1 s, 2 s, 4 s, 6 s, 8 s
Overdischarge detection delay time: 128 ms, 256 ms, 0.5 s, 1 s
CO and DO pin output voltage is limited to 7.5 V max. respectively
CO pin, DO pin output form
CMOS output, Nch open-drain output
CO pin, DO pin output logic
Active "H", active "L"
High-withstand voltage
Absolute maximum rating 28 V
Wide operation voltage range
3.6 V to 24 V
Wide operation temperature range
Ta = -40°C to +85°C
Low current consumption
During operation (3.4 V for each cell): 7.0 µA max.
Lead-free (Sn 100%), halogen-free

*1. Overcharge release voltage = Overcharge detection voltage - Overcharge hysteresis voltage
(Overcharge hysteresis voltage can be selected from a range of 0 mV to 400 mV in 50 mV step.)

*2. Overdischarge release voltage = Overdischarge detection voltage + Overdischarge hysteresis voltage
(Overdischarge hysteresis voltage can be selected from a range of 0 mV to 700 mV in 100 mV step.)

Remark n = 1, 2, 3, 4, 5

Applications

  • Lithium-ion rechargeable battery pack

Parts List

  • Product Status : ACTIVENRND
  • U(Ux), S and G at the end of the product name of ABLIC Inc. were used to indicate different material specifications as “environmental code”,
    however, these have now been unified into “lead-free and halogen-free” and are identical in terms of environmental quality.
  • Note: Lead-free plating other than 100% Sn is applied to some limited old products, therefore, please contact our sales representatives for details.
  • These descriptions may be different from the actual product name and parameter.
    Please confirm the product name and specifications with the data sheet again.
  • The information herein is subject to change without notice.