5 LEDs(S-82F9) | 4 LEDs(S-82D9) | 3 LEDs(S-8229A)
This IC is a battery monitoring IC developed using CMOS technology. Compared with conventional CMOS voltage detectors, this IC is ideal for the applications that require high-withstand voltage due to its maximum operation voltage as high as 24 V.
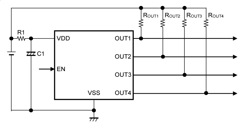
This IC is capable of confirming the voltage in stages since it detects four voltage values.
The S-82D9A Series has an EN pin, allowing for reduction of current consumption by using an external signal to turn off this IC.
The S-82D9B Series has a SENSE pin, and the SENSE pin and external components enable battery monitoring equal to or higher than the rated voltage of the IC.
Features
- Detection voltage accuracy
- ±1.0%
- Hysteresis characteristics
- VHYS1(S) to VHYS4(S) = 0 mV, 50 mV, 300 mV, 400 mV, 500 mV
- Current consumption
- During operation: IDD1 = 10 μA max.
- During power-off: IDD2 = 0.1 μA max.
- Operation voltage range
- VDD = 3.6 V to 24 V
- Detection voltage
- VDET1(S) to VDET4(S) = 7.5 V to 21.5 V (0.1 V step)
- Output form
- Nch open-drain output
- Output logic*1
- Full charge all on, Individual step voltage on
- SENSE pin power-off voltage
- VSENSE
- Voltage detection pin
- S-82D9A Series: VDD pin
- S-82D9B Series: SENSE pin
- Operation temperature range
- Ta = -40°C to +85°C
- Lead-free (Sn 100%), halogen-free
*1. Full charge all on:
The multiple output pins become VSS output depending on the input voltage.
When the input voltage is equal to or higher than each of the four detection voltage values, VOUT1 = VOUT2 = VOUT3 = VOUT4 = VSS.
Individual step voltage on:
According to the input voltage, only one output pin is a VSS output.
Set the detection voltage to VDET1 > VDET2 > VDET3 > VDET4 and VDETn > VDETn+1 + VHYSn+1.
VOUT1 = VSS and VOUT2 = VOUT3 = VOUT4 = High-Z when the input voltage is equal to or higher than detection voltage 1 (VDET1).
Application
- Rechargeable lithium-ion battery pack