Power Management ICs

Battery Protection IC for 1-Cell Pack S-8261 Series

The S-8261 series are lithium-ion/lithium polymer rechargeable battery protection ICs incorporating high-accuracy voltage detection circuit and delay circuit.
The S-8261 series are suitable for protection of single-cell lithium ion/lithium polymer battery packs from overcharge, overdischarge and overcurrent.

Features

Internal high accuracy voltage detection circuit
Overcharge detection voltage: 3.9V to 4.5V(applicable in 5mV step), Accuracy: ±25mV (+25°C) and ±30mV (-5°C to +55°)
Overcharge hysteresis voltage: 0.1V to 0.4V, Accuracy: ±25mV
Overdischarge detection voltage: 2.0V to 3.0V(10mV step), Accuracy: ±50mV
Overdischarge hysteresis voltage: 0.0V to 0.7V, Accuracy: ±50mV
Overcurrent 1 detection voltage: 0.05V to 0.3V (10mV step), Accuracy: ±15mV
Overcurrent 2 detection voltage: 0.5V(fixed), Accuracy: ±100mV
High-withstand voltage (VM and CO pins: Absolute maximum rating = 28V)
Delay times (overcharge: tCU, overdischarge: tDL, overcurrent 1: tlOV1, overcurrent 2: tlOV2) are generated by an internal circuit. No external capacitor is necessary. Accuracy: ±20%
Three-step overcurrent detection circuit is included. (overcurrent 1, overcurrent 2, and load short-circuiting)
0 V battery charge function "available" / "unavailable" are selectable.
Charger detection function and abnormal charge current detection function.
The overdischarge hysteresis is released by detecting negative voltage at the VM pin (-0.7V typ.).
(Charger detection function)
When the output voltage of the DO pin is high and the voltage at the VM pin is equal to or lower than the charger detection voltage (-0.7V typ.), the output voltage of the CO pin goes low. (Abnormal charge current detection function)
Low current consumption
Operation: 3.5 µA typ., 7.0 µA max.
Power-down: 0.1 µA max.
Wide operating temperature range
-40°C to +85°C
Lead-free, Sn 100%, halogen-free

Applications

  • Lithium-ion rechargeable battery packs
  • Lithium polymer rechargeable battery packs

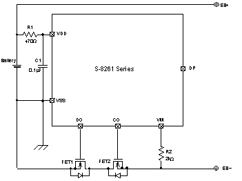
Standard Circuit

Standard Circuit

Parts List

  • Product Status : ACTIVENRND
  • U(Ux), S and G at the end of the product name of ABLIC Inc. were used to indicate different material specifications as “environmental code”,
    however, these have now been unified into “lead-free and halogen-free” and are identical in terms of environmental quality.
  • Note: Lead-free plating other than 100% Sn is applied to some limited old products, therefore, please contact our sales representatives for details.
  • These descriptions may be different from the actual product name and parameter.
    Please confirm the product name and specifications with the data sheet again.
  • The information herein is subject to change without notice.