Power Management ICs

Battery Protection IC for 3-Serial or 4-Serial-Cell Pack S-8254A Series

The S-8254A series is a protection IC for 3-serial or 4-serial cell lithium ion rechargeable batteries and includes a high-accuracy voltage detector and delay circuit.
The S-8254 series protects both 3-serial or 4-serial cells using the SEL pin for switching.

Features

High-accuracy voltage detection function for each cell
Overcharge detection voltage n(n=1 to 4): 3.90 V to 4.45 V (50 mV steps) Accuracy ±25 mV
Overcharge release voltage n(n=1 to 4): 3.80 V to 4.45 V Accuracy ±50 mV
Overdischarge detection voltage n(n =1 to 4): 2.0 V to 3.0 V (100 mV steps) Accuracy ±80mV
Overdischarge release voltage n(n=1 to 4): 2.0 V to 3.4 V Accuracy ±100 mV
Three-level overcurrent protection
Overcurrent detection voltage 1: 0.05 V to 0.3 V (50 mV steps) Accuracy ±25 mV
Overcurrent detection voltage 2: 0.5 V Accuracy ±100 mV
Overcurrent detection voltage 3: VVC1 - 1.2 V Accuracy ±300 mV
Delay times for overcharge detection, overdischarge detection and overcurrent detection 1 can be set by external capacitors. (Delay times for overcurrent detection 2 and 3 are fixed internally.)
Switchable between a 3-serial cell and 4-serial cell using the SEL pin
Charge/discharge operation can be controlled via the control pins.
0 V battery charge
Enabled, inhibited
Power-down function
Available
High-withstand voltage
Absolute maximum rating: 26 V
Wide operating voltage range
2 V to 24 V
Wide operating temperature range
-40°C to +85°C
Low current consumption
Operation mode 30 µA max.(+25°C),
Power-down mode 0.1 µA max. (+25°C)
Lead-free, Sn100%, halogen-free

Applications

  • Lithium-ion rechargeable battery packs
  • Lithium polymer rechargeable battery packs

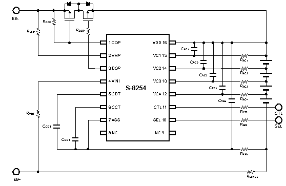
Standard Circuit

Standard Circuit

Parts List

  • Product Status : ACTIVENRND
  • U(Ux), S and G at the end of the product name of ABLIC Inc. were used to indicate different material specifications as “environmental code”,
    however, these have now been unified into “lead-free and halogen-free” and are identical in terms of environmental quality.
  • Note: Lead-free plating other than 100% Sn is applied to some limited old products, therefore, please contact our sales representatives for details.
  • These descriptions may be different from the actual product name and parameter.
    Please confirm the product name and specifications with the data sheet again.
  • The information herein is subject to change without notice.