Low Charge Injection 64-Channel 6Ω High-voltage Analog Switches S-UM6532

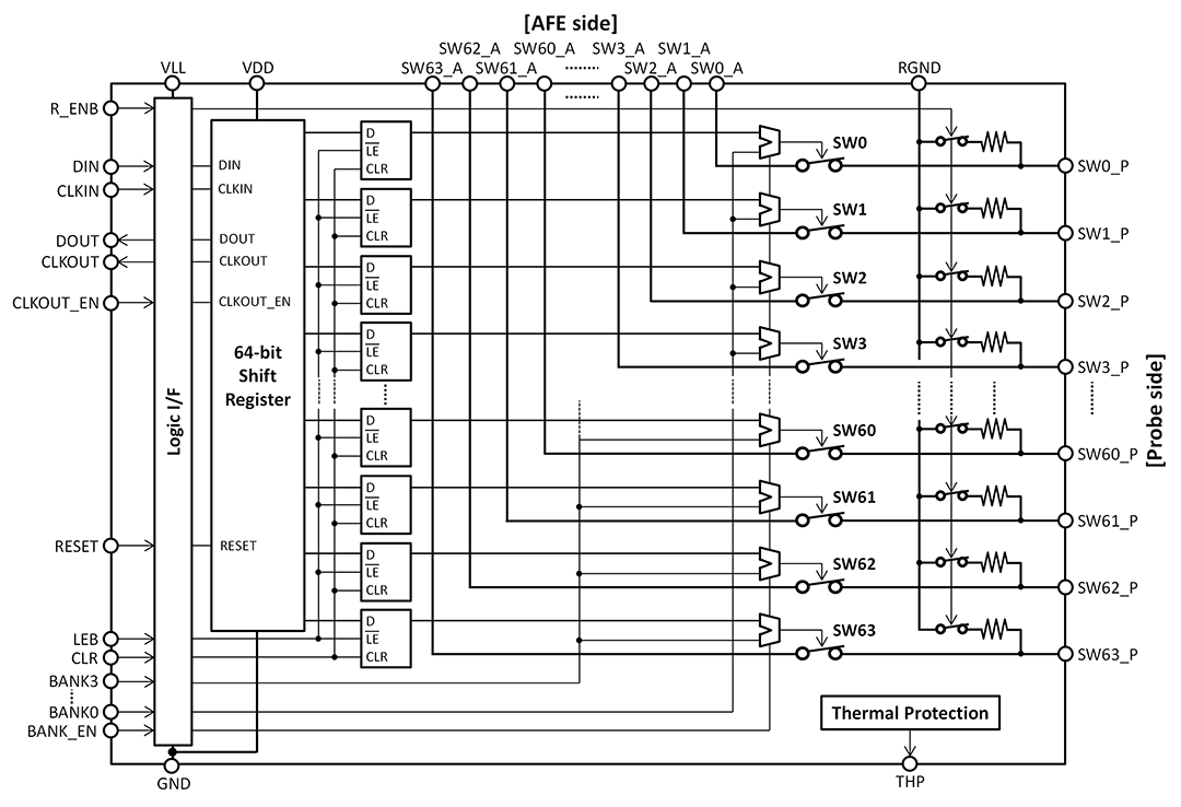
The ABLIC S-UM6532 is a low charge injection 64-channel single-pole single-throw (SPST) high-voltage analog switch IC operated only by a single 5V for ultrasound imaging applications. The S-UM6532 has ±100V analog signal range allowing ±150V voltage overshoot.

Functions

  • 64-channel high-voltage SPST analog switches with user-selectable logic interface and bleed resistor

Features

  • 0V to ±100V analog signal voltage range allowing ±150V voltage overshoot
  • 10kHz to 70MHz analog signal frequency range
  • 2A peak analog signal current per channel
  • 6Ω switch on-resistance
  • Single +5V power supply (NO HIGH-VOLTAGE POWER SUPPLY required)
  • User-selectable Serial Digital Interface (64-bit shift registers) or Bank Interface (4 banks of 16-channel)
  • User-selectable 40kΩ bleed resistor on probe side
  • Low on/off-capacitance
  • 15pC charge injection to 1000pF
  • -75dB off-isolation at analog small-signal 5MHz
  • -60dB switch crosstalk
  • 1.8V to 5V CMOS logic interface
  • Low power dissipation (static 5mW)
  • Embedded thermal protection with flag indicator
  • RoHS compliant 15 × 15mm BGA package

Block diagram