Low Charge Injection 32-Channel 8Ω High-Voltage Analog Switches S-UM6522E

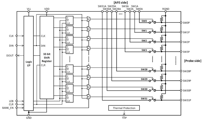
The ABLIC S-UM6522E is a low charge injection 32-channel single-pole, single-throw (SPST) high-voltage analog switch IC operated only by a single 5V for ultrasound imaging applications. Users can select either Serial Digital Interface (SDI) or Bank Interface. The S-UM6522E has the same packaging and pinout as the HDL6M06522BN with improved Con/Coff and off isolation performance.

Functions

  • 32-channel high-voltage SPST analog switches with user-selectable SDI or Bank interface

Features

  • 0V to ±100V analog signal voltage range allowing ±150V voltage overshoot
  • 10kHz to 85MHz analog signal frequency range
  • 2A peak analog signal current per channel
  • 8Ω switch on-resistance
  • 40kΩ bleed resistor on probe side
  • 32-bit shift registers
  • Low on/off-capacitance
  • 15pC charge injection to 1000pF
  • -75dB off-isolation at analog small-signal 5MHz
  • -60dB switch crosstalk
  • Selectable Serial Digital Interface (32-bit shift registers) or Bank Interface (1 bank of 32-channel)
  • 1.8V to 5V CMOS logic interface
  • Single +5V power supply (NO HIGH-VOLTAGE POWER SUPPLY required)
  • Low power dissipation (static 5mW)
  • Embedded thermal protection flag indicator
  • Unique pin configuration for easy PCB traces
  • RoHS compliant 84-lead 10x10mm QFN

Block diagram