Low Charge Injection 32-channel 8Ω High-voltage Analog Switches HDL6M06522BN

The ABLIC Inc. HDL6M06522BN is low charge injection 32-channel high-voltage analog switch IC operated only by a single 5V for ultrasound imaging applications.
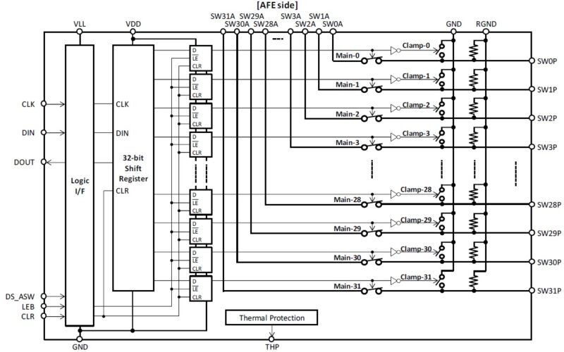
The HDL6M06522BN consists of single-pole, single-throw (SPST) analog switches controlled by Serial Digital Interface (SDI).
The HDL6M06522BN does not require any high-voltage power supply and has a unique pin-out for easy PCB traces.

Functions

  • 32-channel high-voltage SPST analog switch with active ground clamp

Features

  • 0V to ±100V analog signal voltage range (10kHz to 20MHz signal frequency range)
  • 2A peak analog signal current per channel
  • 8Ω main switch on-resistance
  • 40kΩ bleed resistor on probe side
  • 32-bit shift registers
  • Low on/off-capacitance
  • 10pC charge injection to 1000pF
  • -52dB off-isolation at 5MHz (load-independent)
  • -60dB switch crosstalk
  • 35Ω ground clamp switch on probe side alternately turned on/off with main switch
  • DS_ASW to disable 35Ω ground clamp switch
  • 1.8V to 5V CMOS logic interface
  • Single +5V power supply (NO HIGH-VOLTAGE POWER SUPPLY required)
  • Low power dissipation (static 5mW)
  • Embedded thermal protection flag indicator
  • Unique pin configuration for easy PCB traces
  • RoHS compliant 84-lead 10x10mm QFN

Block diagram