Automotive ICs

Automotive, 105°C Operation, 10 V Voltage Detector with Delay Function (External Delay Time Setting) S-19100xxxH Series

Operation temperature : 125°C max. (S-19100xxxA) | 105°C max. (S-19100xxxH)

The S-19100xxxH Series, developed by using CMOS technology, is a voltage detector IC for automotive 105°C operation.
The detection voltage is fixed internally with an accuracy of ±2.5% (-Vdet = 2.4 V). It operates with current consumption of 270 nA typ.
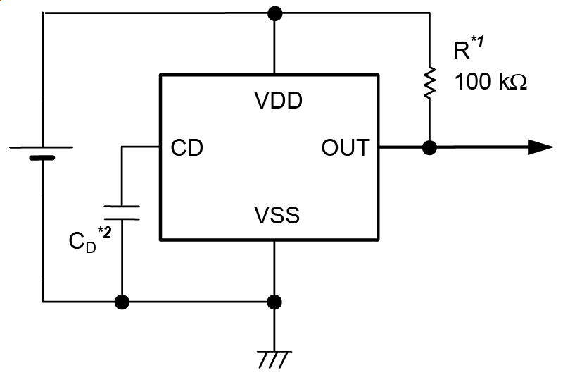
The release signal can be delayed by setting a capacitor externally, and the delay time accuracy at Ta = +25°C is ±15%.
The operation temperature range is Ta = -40°C to +105°C. Two output forms Nch open-drain and CMOS output are available.
Compared with conventional CMOS voltage detectors, the S-19100xxxH Series has super-low current consumption and small packages.

FIT rate calculation
ABLIC Inc. offers FIT rate calculated based on actual customer usage conditions in order to support customer functional safety design.
For more information regarding our FIT rate calculation, contact our sales representatives.

Caution: This product can be used in vehicle equipment and in-vehicle equipment. Before using the product for these purposes, it is imperative to contact our sales representatives.

Features

Detection voltage
1.2 V to 4.6 V (0.1 V step)
Detection voltage accuracy
±2.5% (2.4 V ≤ -Vdet ≤ 4.6 V, Ta = -40°C to +105°C)
±(2.0% + 12 mV) (1.2 V ≤ -Vdet < 2.4 V, Ta = -40°C to +105°C)
Current consumption
270 nA typ. (1.2 V ≤ -Vdet < 2.3 V)
Operation voltage range
0.6 V to 10.0 V (CMOS output product)
Hysteresis width*1
5% ±2% (Ta = -40°C to +105°C)
Delay time accuracy
±15% (Cd = 4.7 nF, Ta = +25°C)
Output form
Nch open-drain output (active "L")
CMOS output (active "L")
Operation temperature range
Ta = -40°C to +105°C
Lead-free (Sn 100%), halogen-free
AEC-Q100 qualified*2

*1. The product without hysteresis width is also available.

*2. Contact our sales representatives for details.

Applications

  • For automotive use (meter, car body, headlight, ITS, accessory, car navigation system, car audio system, etc.)
    : SOT-23-5 package product, SC-82AB package product
  • For automotive use (accessory, car navigation system, car audio system, etc.)
    : SNT-4A package product

Parts List

  • Product Status : ACTIVENRND
  • U(Ux), S and G at the end of the product name of ABLIC Inc. were used to indicate different material specifications as “environmental code”,
    however, these have now been unified into “lead-free and halogen-free” and are identical in terms of environmental quality.
  • Note: Lead-free plating other than 100% Sn is applied to some limited old products, therefore, please contact our sales representatives for details.
  • These descriptions may be different from the actual product name and parameter.
    Please confirm the product name and specifications with the data sheet again.
  • The information herein is subject to change without notice.