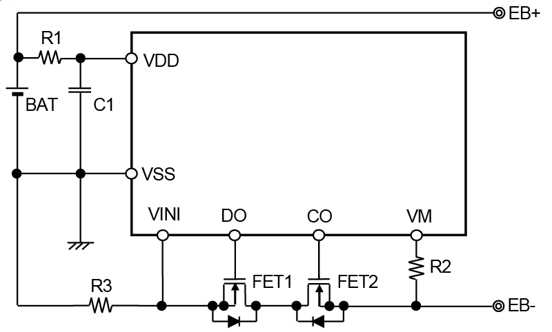
This IC is a protection IC for lithium-ion / lithium polymer rechargeable batteries, which includes high-accuracy voltage detection circuits and delay circuits. It is suitable for protecting 1-cell lithium-ion / lithium polymer rechargeable battery packs from overcharge, overdischarge, and overcurrent.
Use of an external overcurrent detection resistor enables this IC to provide high-accuracy overcurrent protection with less impact from temperature changes.
Features
- High-accuracy voltage detection circuit
- Overcharge detection voltage
3.500 V to 4.800 V (5 mV step)
: Accuracy ±15 mV - Overcharge release voltage
3.100 V to 4.800 V*1
: Accuracy ±50 mV - Overdischarge detection voltage
2.000 V to 3.000 V (10 mV step)
: Accuracy ±50 mV - Overdischarge release voltage
2.000 V to 3.400 V*2
: Accuracy ±75 mV - Discharge overcurrent 1 detection voltage
3 mV to 100 mV (0.5 mV step)
: Accuracy ±1 mV - Discharge overcurrent 2 detection voltage
6 mV to 100 mV (1 mV step)
: Accuracy ±2 mV - Load short-circuiting detection voltage
20 mV to 100 mV (1 mV step)
: Accuracy ±4 mV - Charge overcurrent detection voltage
-100 mV to -3 mV (0.5 mV step)
: Accuracy ±1 mV - Detection delay times are generated only by an internal circuit (external capacitors are unnecessary).
- Discharge overcurrent control function
- Release condition of discharge overcurrent status: Load disconnection
- Release voltage of discharge overcurrent status: Discharge overcurrent release voltage (VRIOV) = VDD × 0.8 (typ.)
- 0 V battery charge
- Enabled, inhibited
- Power-down function
- Available, unavailable
- High-withstand voltage
- VM pin and CO pin: Absolute maximum rating 28 V
- Wide operation temperature range
- Ta = -40°C to +125°C
- Low current consumption
- During operation: 2.0 μA typ., 4.0 μA max. (Ta = +25°C)
- During power-down: 50 nA max. (Ta = +25°C)
- During overdischarge: 0.5 μA max. (Ta = +25°C)
- Lead-free (Sn 100%), halogen-free
- AEC-Q100 in process*3
*1. Overcharge release voltage = Overcharge detection voltage - Overcharge hysteresis voltage
(Overcharge hysteresis voltage can be selected as 0 V or from a range of 0.1 V to 0.4 V in 50 mV step.)
*2. Overdischarge release voltage = Overdischarge detection voltage + Overdischarge hysteresis voltage
(Overdischarge hysteresis voltage can be selected as 0 V or from a range of 0.1 V to 0.7 V in 100 mV step.)
*3. Contact our sales representatives for details.
Application
- Lithium-ion rechargeable battery pack
- Lithium polymer rechargeable battery pack