Automotive ICs

Automotive, 125°C Operation, Battery Protection IC for 1-cell Pack S-19161A Series

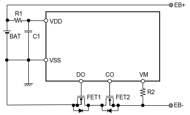
This IC is a protection IC for lithium-ion / lithium polymer rechargeable batteries, which includes high-accuracy voltage detection circuits and delay circuits. It is suitable for protecting 1-cell lithium-ion / lithium polymer rechargeable battery packs from overcharge, overdischarge, and overcurrent.

Caution: This product can be used in vehicle equipment and in-vehicle equipment. Before using the product for these purposes, it is imperative to contact our sales representatives.

Features

High-accuracy voltage detection circuit
Overcharge detection voltage
3.500 V to 4.800 V (5 mV step)
: Accuracy ±15 mV
Overcharge release voltage
3.100 V to 4.800 V*1
: Accuracy ±50 mV
Overdischarge detection voltage
2.000 V to 3.000 V (10 mV step)
: Accuracy ±50 mV
Overdischarge release voltage
2.000 V to 3.400 V*2
: Accuracy ±75 mV
Discharge overcurrent 1 detection voltage
5 mV to 100 mV (0.5 mV step)
: Accuracy ±1.5 mV
Discharge overcurrent 2 detection voltage
10 mV to 100 mV (1 mV step)
: Accuracy ±3 mV
Load short-circuiting detection voltage
20 mV to 100 mV (1 mV step)
: Accuracy ±5 mV
101 mV to 300 mV (1 mV step)
: Accuracy ±10 mV
Charge overcurrent detection voltage
-100 mV to -5 mV (0.5 mV step)
: Accuracy ±1.5 mV
Detection delay times are generated only by an internal circuit (external capacitors are unnecessary).
Discharge overcurrent control function
Release condition of discharge overcurrent status: Load disconnection
Release voltage of discharge overcurrent status: Discharge overcurrent release voltage (VRIOV) = VDD × 0.8 (typ.)
0 V battery charge
Enabled, inhibited
Power-down function
Available, unavailable
High-withstand voltage
VM pin and CO pin: Absolute maximum rating 28 V
Wide operation temperature range
Ta = -40°C to +125°C
Low current consumption
During operation: 2.0 μA typ., 4.0 μA max. (Ta = +25°C)
During power-down: 50 nA max. (Ta = +25°C)
During overdischarge: 0.5 μA max. (Ta = +25°C)
Lead-free (Sn 100%), halogen-free
AEC-Q100 in process*3

*1. Overcharge release voltage = Overcharge detection voltage - Overcharge hysteresis voltage
(Overcharge hysteresis voltage can be selected as 0 V or from a range of 0.1 V to 0.4 V in 50 mV step.)

*2. Overdischarge release voltage = Overdischarge detection voltage + Overdischarge hysteresis voltage
(Overdischarge hysteresis voltage can be selected as 0 V or from a range of 0.1 V to 0.7 V in 100 mV step.)

*3. Contact our sales representatives for details.

Application

  • Lithium-ion rechargeable battery pack
  • Lithium polymer rechargeable battery pack

Parts List

  • Product Status : ACTIVENRND
  • U(Ux), S and G at the end of the product name of ABLIC Inc. were used to indicate different material specifications as “environmental code”,
    however, these have now been unified into “lead-free and halogen-free” and are identical in terms of environmental quality.
  • Note: Lead-free plating other than 100% Sn is applied to some limited old products, therefore, please contact our sales representatives for details.
  • These descriptions may be different from the actual product name and parameter.
    Please confirm the product name and specifications with the data sheet again.
  • The information herein is subject to change without notice.