Octal 12-Bit Msps ADC with Serial LVDS Outputs for Ultrasound Imaging Applications S-US85A1

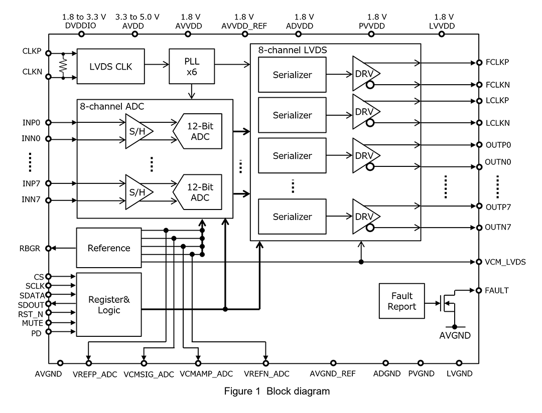
S-US85A1 is a 12bit, high-speed, analog-to-digital converter (ADC) for ultrasound imaging applications. S-US85A1 consists of 8channels low noise analog-to-digital converters, including serializer and low voltage differential signaling (LVDS) data outputs. These LVDS outputs consist of data, clock and frame-alignment signals. This IC operates with 3 different power supplies of AVDD (5V to 3.3V), DVDDIO (3.3V to 1.8V), AVVDD (1.8V) or at least 2power supplies required by tying DVDDIO to AVDD or AVVDD.

Functions

  • Octal 12-Bit 50 Msps A/D converter for ultrasound receiver

Features

  • 12-bit resolution 8-channel ADC in offset binary format
  • 69.8dB SNR at 5.3MHz
  • 78.8dBc SFDR at 5.3MHz
  • 50Msps sampling rate
  • Fully differential analog input
  • Serial 300MHz LVDS output
  • Offset binary digital code LVDS output
  • On-chip Band Gap Reference 1.22V
  • Wide differential analog input 2.0Vp-p
  • 1.8V to 3.3V CMOS control logic interface
  • Automatic thermal protection with indicator
  • Latch-up free, low crosstalk by SOI CMOS technology
  • Serial Peripheral Interface (SPI) for access to Register
  • Selectable Normal and Low Power operation with register
  • 138mW (Normal mode) and 78mW (Low Power mode) per channel.
  • 84-lead 10 × 10mm QFN package (RoHS compliant)

Block diagram