NEWS & TOPICS 最新信息

ABLIC Inc.推出汽车用S-19192系列3-6芯串联电池监测IC


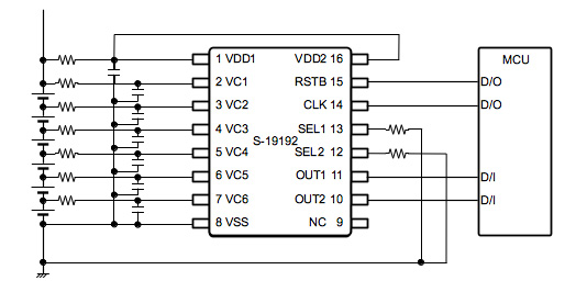
S-19192(16-Pin HTSSOP package)

ABLIC Inc.(总裁:Nobumasa Ishiai;总部:千叶县千叶市,以下简称“ABLIC”)今日推出汽车用S-19192系列3-6芯串联电池监测IC。电池监测IC主要用于监测锂离子电池的状态。

新的S-19192系列产品是汽车用3-6芯串联电池监测IC,具有以下特征:(1)可靠独立监测,无需微控制器软件即可操作,(2)能够作为二次监测IC用于汽车BMS(*1),可显著提高系统安全性,以及(3)用于监测随机故障的自诊断功能。

这些特征以简单的配置提供可靠的汽车BMS能力,可实现更高的安全性,避免故障和其他问题的发生。


Example of a 6-cell protection circuit using the S-19192 Series

主要特点

  1. 配置简单,可实现独立监测,带有故障监测自诊断功能
  2. 适用于汽车BMS的二次监测IC,有助于进一步提高系统安全性

(*1) BMS=“电池管理系统”(Battery Management System)的缩写

应用示例

  • 高精度电流检测

S-19192 系列详情
https://www.ablic.com/cn/semicon/datasheets/automotive/automotive-lithium-ion-battery-protection-ic/s-19192/

网站
https://www.ablic.com/

ABLIC Inc.继承了精工电子有限公司的半导体业务,现在是一家以推动模拟半导体进一步发展为己任的IC制造商。

免责声明:本公告之原文版本乃官方授权版本。译文仅供方便了解之用,烦请参照原文,原文版本乃唯一具法律效力之版本。

Contacts

ABLIC Inc.
Masae Onuma
pr@ablicinc.com
https://hub.ablic.com/en/pr-inquiry