
エイブリック株式会社(社長:石合 信正、本社:千葉県千葉市、以下:ABLIC)は本日より、3~5セルバッテリー監視IC「S-8255A/Bシリーズ」の販売を開始しました。
リチウムイオンバッテリーはスマートフォン・ウェアラブル端末などのIT機器を始め、電動工具・コードレスクリーナなどの家電に至るまで様々なアプリケーションに用いられています。しかし、リチウムイオンバッテリーを安全に使用するためには、保護ICによる充電・放電の正確な管理が欠かせません。
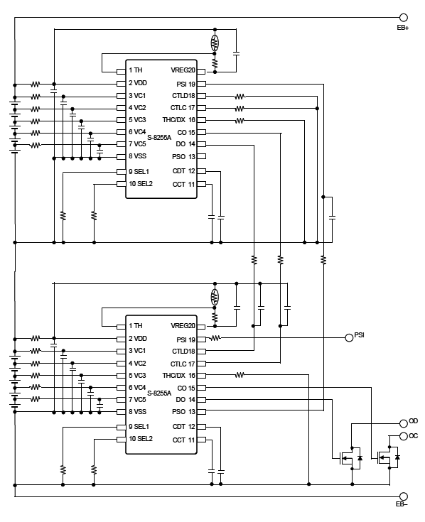
新製品「S-8255A/Bシリーズ」は、3~5セル直列のリチウムイオンバッテリーの監視ICで、(1)一般的な過充電・過放電保護機能に加えて温度保護機能を備え、より安全性の高い保護回路を構成できること、(2)パワーセービング機能により、暗電流による出荷時のバッテリーパック容量の消耗を避けられること、(3)過充電検出電圧精度が±20mV、さらに高機能でありながら動作時消費電流が19uA maxと、業界トップクラスを実現していること、などが特長となっています。
さらに、切り替え端子を使うことで3・4・5セル直列のバッテリー保護が可能な上、カスケード機能(S-8255Aシリーズ)により6セル以上の保護回路を構成することもできますので、幅広いアプリケーションにご使用いただけます。
バッテリー駆動の機器においては、その使いやすさのためリチウムイオンバッテリーが多く使われていますが、特に高電圧化・ハイパワー化が進む分野においては、求められる安全性のレベルも高まって来ています。ABLICは、今後もリチウムイオンバッテリー保護ICにおいて、さらなる高精度化・高機能化を目指すとともに、多くの分野のアプリケーションに対応できる製品展開を図っていきます。

【主な特長】
1. 温度保護機能による4点温度監視が可能
TH端子に1つのNTCを接続することで、充電時・放電時にそれぞれ2温度(高温・低温)を監視することができます(計4温度監視)。温度検出回路は間欠動作しており、10kΩのNTCを使用しても、低消費電流な温度監視機能を実現できます。
2. パワーセービング機能による暗電流対策が可能
PSI端子に外部から信号を入力することでパワーセービング機能が働き、S-8255A/Bシリーズは低消費電流モード(0.1μAmax)になります。さらにS-8255Aシリーズでは、カスケード接続を介してすべてのS-8255Aシリーズも低消費電流モードに切り替えることが可能です。バッテリーパックの出荷前に低消費電流モードに切り替えておくことで、暗電流によるパック容量の消耗を避けることができます。
3. 過充電検出電圧精度は±20mV、高機能でありながら19μAmaxの低消費電流を実現
過充電検出電圧精度は±20mVと、業界トップクラスの検出精度を実現しました。過充電検出電圧を高精度化することにより、リチウムイオン電池パックの安全性向上に貢献します。
さらに、温度保護機能やパワーセービング機能など、高機能化を図りながらもトップクラスの低消費電流19μAmaxを実現しています。
【主な仕様】
- 過充電検出電圧:3.55 ~ 4.60V ±20mV
- 過放電検出電圧:2.00 ~ 3.20V ±80mV
- 0V電池検出電圧:1.3V+0.2V/-0.3V(0V電池検出機能有り品)
- 動作時消費電流:19uA max.
- パワーセービング時消費電流:0.1μA max.
- 温度保護機能(充電時・放電時×高温・低温=4温度検出)
- 最大定格:28V
- 動作温度:-40~85℃
- パッケージ:20Pin-TSSOP
【用途例】
・電動工具、コードレスクリーナ、ロボット掃除機、ドローン、ESS、UPS、産業機器等
【データシートURL】
https://www.ablic.com/jp/doc/datasheet/battery_protection/S8255A_J.pdf
https://www.ablic.com/jp/doc/datasheet/battery_protection/S8255B_J.pdf
【Webサイト】
https://www.ablic.com/jp/semicon/
エイブリック株式会社は、セイコーインスツルの半導体事業を継承し、進化を続けるアナログ半導体専業メーカーです。
この件に関するお問い合わせは、下記にお願いいたします。
【マスコミ】
エイブリック株式会社
総務広報部 総務広報グループ 阿部、新井
TEL:043-211-1200