電源用IC

バッテリー電圧モニタ端子付き 1セル用バッテリー保護IC S-82S1Aシリーズ

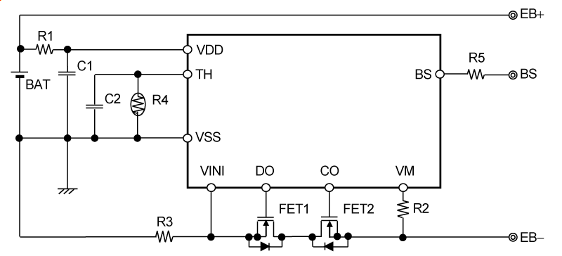
BS端子 - VSS端子間抵抗 : 5kΩ typ. (S-82R1A) | 50Ω typ. (S-82S1A)

本ICは、高精度電圧検出回路と遅延回路を内蔵したリチウムイオン / リチウムポリマー二次電池保護用ICです。1セルリチウムイオン / リチウムポリマー二次電池パックの過充電、過放電、過電流の保護に最適なICです。
NTCサーミスタをサーミスタ接続端子 (TH端子) に接続することで過熱保護が可能になります。
バッテリー電圧モニタ端子 (BS端子) を用いることにより、正確な電池電圧の監視が可能になります。

特長

バッテリー電圧モニタ端子付き
外付けNTCサーミスタを用いた高精度過熱保護回路
過熱検出温度
: +45°C ~ +85°C (1°Cステップ)
精度±3°C*1
高精度電圧検出回路
過充電検出電圧
: 3.500 V ~ 4.800 V (5 mVステップ)
精度±15mV
過充電解除電圧
: 3.100 V ~ 4.800 V*2
精度±50 mV
過放電検出電圧
: 2.000 V ~ 3.000 V (10 mVステップ)
精度±50 mV
過放電解除電圧
: 2.000 V ~ 3.400 V*3
精度±75 mV
放電過電流1検出電圧
: 3 mV ~ 100 mV (0.5 mVステップ)
精度±1 mV
放電過電流2検出電圧
: 6 mV ~ 100 mV (0.5 mVステップ)
精度±2 mV
負荷短絡検出電圧
: 20 mV ~ 100 mV (1 mVステップ)
精度±5 mV
充電過電流検出電圧
: -100 mV ~ -3 mV (0.5 mVステップ)
精度±1 mV
各種検出遅延時間は内蔵回路のみで実現 (外付け容量は不要)
放電過電流制御機能
放電過電流状態解除条件 : 負荷開放
放電過電流状態解除電圧 : 放電過電流解除電圧 (VRIOV) = VDD × 0.8 (typ.)
0 V電池への充電
可能、禁止
パワーダウン機能
あり、なし
高耐圧
VM端子、CO端子 : 絶対最大定格28 V
広動作温度範囲
Ta = -40°C ~ +85°C
低消費電流
動作時 : 4.5 μA typ., 6.0 μA max. (Ta = +25°C)
パワーダウン時 : 50 nA max. (Ta = +25°C)
過放電時 : 0.5 μA max. (Ta = +25°C)
鉛フリー (Sn 100%)、ハロゲンフリー

*1. 温度検出精度はNTCサーミスタの仕様により変化します。
NTCサーミスタが接続された場合、検出温度およびその精度が得られます。

*2. 過充電解除電圧 = 過充電検出電圧 - 過充電ヒステリシス電圧
(過充電ヒステリシス電圧は、0 Vまたは0.1 V ~ 0.4 Vの範囲内にて50 mVステップで選択可能)

*3. 過放電解除電圧 = 過放電検出電圧 + 過放電ヒステリシス電圧
(過放電ヒステリシス電圧は、0 Vまたは0.1 V ~ 0.7 Vの範囲内にて100 mVステップで選択可能)

用途

  • リチウムイオン二次電池パック
  • リチウムポリマー二次電池パック

型番リスト

  • 製品ステータス : ACTIVENRND
  • 製品型名末尾の U(Ux)、S、G は、環境コードとして材料仕様違いを表しておりましたが、現在、全て『鉛フリー、ハロゲンフリー』へ統一され、環境品質的には同一となっております。
  • ※但し、一部の限られた旧製品においては、鉛フリーでSn 100%以外のリードめっきが適用されていますので、詳しくは販売窓口にご確認下さい。
  • 上記製品名およびパラメータは実際とは異なる場合があります。データシートで再度、製品名・仕様をご確認ください。
  • データは予告なく変更されることがあります。