電源用IC

バッテリー監視IC S-82F9シリーズ

製品データシート

資料一括ダウンロード

本製品に関連する資料をzipファイルで
一括ダウンロードいただけます。

型番リスト

オンライン購入 (価格と在庫)

Webshopの在庫状況等の詳細に関しては、各Webshopへお問合せください。

LED5灯(S-82F9) | LED4灯(S-82D9) | LED3灯(S-8229A)

本ICは、CMOS技術を使用して開発した、バッテリー監視ICです。従来のCMOSボルテージディテクタに比べ、最大動作電圧が24 Vと高いため、高耐圧が必要とされるアプリケーションに最適です。
5つの電圧値を検出するため、電圧を段階的に確認することが可能です。
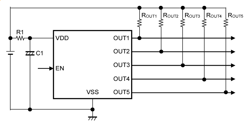
S-82F9AシリーズはEN端子を備えており、外部信号によりパワーオフさせることで、消費電流を抑えることが可能です。
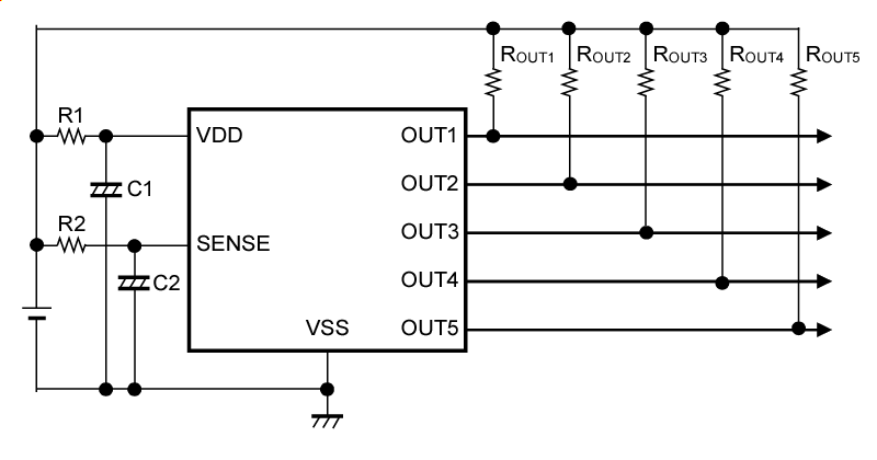
S-82F9BシリーズはSENSE端子を備えており、SENSE端子と外付け部品によりICの定格以上のバッテリー電圧監視が可能です。

特長

検出電圧精度
±1.0%
ヒステリシス特性
VHYS1(S) ~ VHYS5(S) = 0 mV, 50 mV, 300 mV, 400 mV, 500 mV
消費電流
動作時 : IDD1 = 10 μA max.
パワーオフ時 : IDD2 = 0.1 μA max.
動作電圧範囲
VDD = 3.6 V ~ 24 V
検出電圧
VDET1(S) ~ VDET5(S) = 7.5 V ~ 21.5 V (0.1 Vステップ)
出力形態
Nchオープンドレイン出力
出力論理*1
Full charge all on, Individual step voltage on
センス端子パワーオフ電圧
VSENSE
電圧検出端子
S-82F9Aシリーズ : VDD端子
S-82F9Bシリーズ : SENSE端子
動作温度範囲
Ta = -40°C ~ +85°C
鉛フリー (Sn 100%)、ハロゲンフリー

*1. Full charge all on :
入力電圧に応じて複数の出力端子がVSS出力となります。
入力電圧が5つの検出電圧値以上の場合、VOUT1 = VOUT2 = VOUT3 = VOUT4 = VOUT5 = VSSとなります。
Individual step voltage on :
入力電圧に応じて1つの出力端子のみVSS出力となります。
検出電圧はVDET1 > VDET2 > VDET3 > VDET4 > VDET5かつVDETn > VDETn+1 + VHYSn+1に設定してください。
入力電圧が検出電圧1 (VDET1) 以上の場合、VOUT1 = VSS, VOUT2 = VOUT3 = VOUT4 = VOUT5 = High-Zとなります。

用途

  • リチウムイオン二次電池バッテリーパック

型番リスト

  • 製品ステータス : ACTIVENRND
  • 製品型名末尾の U(Ux)、S、G は、環境コードとして材料仕様違いを表しておりましたが、現在、全て『鉛フリー、ハロゲンフリー』へ統一され、環境品質的には同一となっております。
  • ※但し、一部の限られた旧製品においては、鉛フリーでSn 100%以外のリードめっきが適用されていますので、詳しくは販売窓口にご確認下さい。
  • 上記製品名およびパラメータは実際とは異なる場合があります。データシートで再度、製品名・仕様をご確認ください。
  • データは予告なく変更されることがあります。