電源用IC

3セル~ 5セル直列用バッテリー監視IC S-82F5Bシリーズ

過充電検出電圧精度:±15mV (S-82H5B)|±20mV (S-82F5B)

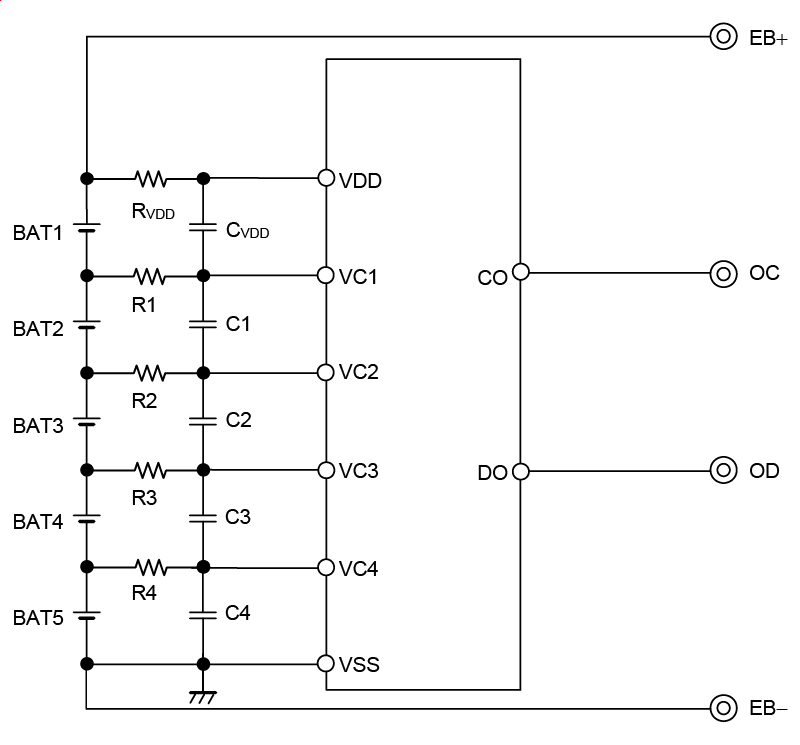
本ICは、高精度電圧検出回路と遅延回路を内蔵し、3セル ~ 5セル直列のリチウムイオン二次電池の状態を8ピンの小型パッケージで監視することが可能です。
各セル間をショートすることにより、3セル ~ 5セル直列接続に対応できます。

特長

各セルに対する高精度電圧検出回路
過充電検出電圧n
3.500 V ~ 4.700 V (5 mVステップ)
: 精度±20 mV (Ta = +25°C)
: 精度±25 mV (Ta = −10°C ~ +60°C)
過充電解除電圧n*1
3.100 V ~ 4.700 V
: 精度±50 mV
過放電検出電圧n
1.500 V ~ 3.200 V (50 mVステップ)
: 精度±80 mV
過放電解除電圧n*2
1.500 V ~ 3.900 V (100 mVステップ)
: 精度±100 mV
遅延時間は内蔵回路のみで実現 (外付け容量は不要)
過充電検出遅延時間 : 0.5 s, 1 s, 2 s, 4 s, 6 s, 8 s
過放電検出遅延時間 : 128 ms, 256 ms, 0.5 s, 1 s
CO端子、DO端子出力電圧を7.5 V max.に制限
CO端子、DO端子出力形態
CMOS出力、Nchオープンドレイン出力
CO端子、DO端子出力論理
アクティブ "H"、アクティブ "L"
高耐圧
絶対最大定格28 V
広動作電圧範囲
3.6 V ~ 24 V
広動作温度範囲
Ta = -40°C ~ +85°C
低消費電流
動作時 (各セル3.4 V) : 7.0 μA max.
鉛フリー (Sn 100%)、ハロゲンフリー

*1. 過充電解除電圧 = 過充電検出電圧 - 過充電ヒステリシス電圧
(過充電ヒステリシス電圧は、0 mV ~ 400 mVの範囲内にて50 mVステップで選択可能)

*2. 過放電解除電圧 = 過放電検出電圧 + 過放電ヒステリシス電圧
(過放電ヒステリシス電圧は、0 mV ~ 700 mVの範囲内にて100 mVステップで選択可能)

備考 n = 1, 2, 3, 4, 5

用途

  • リチウムイオン二次電池パック

型番リスト

  • 製品ステータス : ACTIVENRND
  • 製品型名末尾の U(Ux)、S、G は、環境コードとして材料仕様違いを表しておりましたが、現在、全て『鉛フリー、ハロゲンフリー』へ統一され、環境品質的には同一となっております。
  • ※但し、一部の限られた旧製品においては、鉛フリーでSn 100%以外のリードめっきが適用されていますので、詳しくは販売窓口にご確認下さい。
  • 上記製品名およびパラメータは実際とは異なる場合があります。データシートで再度、製品名・仕様をご確認ください。
  • データは予告なく変更されることがあります。