低チャージ・インジェクション 32チャネル 8Ω 高電圧アナログスイッチ HDL6M06531B

エイブリックのHDL6M06531Bは、 超音波画像診断装置向け、単一5V電源のみで動作可能な低チャージ・インジェクション32チャネル高電圧アナログスイッチICです。
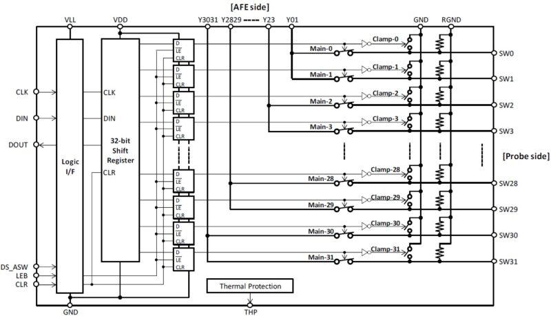
HDL6M06531Bは、シリアルデジタルインターフェース(SDI)によって制御される(SPDT)アナログスイッチで構成されています。
HDL6M06531Bは、高電圧電源を必要とせず、 PCB設計を容易にするための独自のピン配列を備えています。

機能

  • アクティブクランプ付き32チャネル高電圧SPDTアナログスイッチ(2:1 MUX / DEMUX)

特長

  • 0V〜±100Vのアナログ信号電圧範囲(10kHz〜20MHzの周波数範囲)
  • 1チャネルあたり2Aのピークアナログ信号電流
  • オン抵抗8Ωのメインスイッチ
  • プローブ側の40kΩブリーダ抵抗
  • 32ビットシフトレジスタ
  • 低ON / OFF容量
  • 10pCの低チャージインジェクション
  • -52dBオフアイソレーション
  • -60dBスイッチクロストーク
  • プローブ側の35Ωアクティブクランプスイッチとメインスイッチで交互にON / OFF
  • 35Ωのアクティブクランプスイッチをイネーブル/ディセーブル選択可
  • 1.8V〜5V CMOSロジックインターフェース
  • 5V単一電源動作(高電圧電源不要
  • 低消費電力(静的5mW)
  • 過熱検出フラグ機能を搭載
  • PCB設計を容易にするための独自のピン構成
  • 64ピン 9×9mm QFNパッケージ(RoHS準拠)

ブロック図