車載用IC

車載用 125°C動作 1セル用バッテリー保護IC S-19161Bシリーズ

製品データシート

資料一括ダウンロード

本製品に関連する資料をzipファイルで
一括ダウンロードいただけます。

型番リスト

オンライン購入 (価格と在庫)

Webshopの在庫状況等の詳細に関しては、各Webshopへお問合せください。

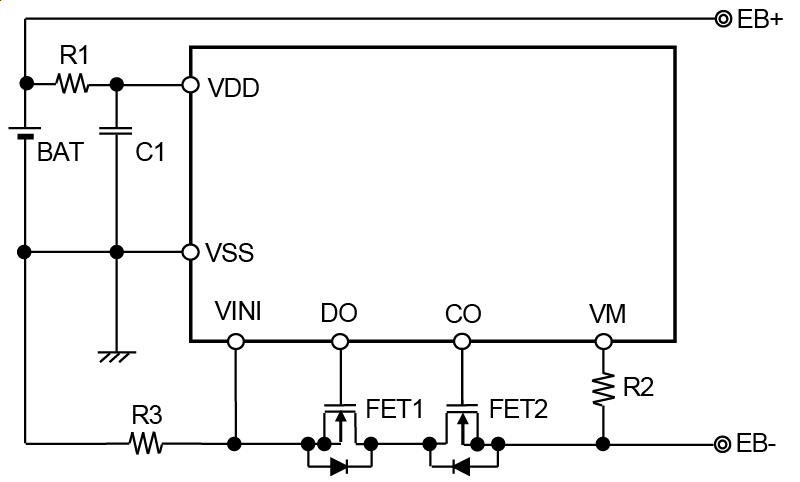
本ICは、高精度電圧検出回路と遅延回路を内蔵したリチウムイオン / リチウムポリマー二次電池保護用ICです。1セルリチウムイオン / リチウムポリマー二次電池パックの過充電、過放電、過電流の保護に最適なICです。
外付けの過電流検出抵抗を用いることにより、温度変化による影響の少ない高精度な過電流保護を実現します。

注意 : 本製品は、車両機器、車載機器へのご使用が可能です。これらの用途でご使用をお考えの際は、必ず販売窓口までご相談ください

特長

高精度電圧検出回路
過充電検出電圧
3.500 V ~ 4.800 V (5 mVステップ)
: 精度±15 mV
過充電解除電圧
3.100 V ~ 4.800 V*1
: 精度±50 mV
過放電検出電圧
2.000 V ~ 3.000 V (10 mVステップ)
: 精度±50 mV
過放電解除電圧
2.000 V ~ 3.400 V*2
: 精度±75 mV
放電過電流1検出電圧
3 mV ~ 100 mV (0.5 mVステップ)
: 精度±1 mV
放電過電流2検出電圧
6 mV ~ 100 mV (1 mVステップ)
: 精度±2 mV
負荷短絡検出電圧
20 mV ~ 100 mV (1 mVステップ)
: 精度±4 mV
充電過電流検出電圧
-100 mV ~ -3 mV (0.5 mVステップ)
: 精度±1 mV
各種検出遅延時間は内蔵回路のみで実現 (外付け容量は不要)
放電過電流制御機能
放電過電流状態解除条件 : 負荷開放
放電過電流状態解除電圧 : 放電過電流解除電圧 (VRIOV) = VDD × 0.8 (typ.)
0 V電池への充電
可能、禁止
パワーダウン機能
あり、なし
高耐圧
VM端子、CO端子 : 絶対最大定格28 V
広動作温度範囲
Ta = −40°C ~ +125°C
低消費電流
動作時 : 2.0 μA typ., 4.0 μA max. (Ta = +25°C)
パワーダウン時 : 50 nA max. (Ta = +25°C)
過放電時 : 0.5 μA max. (Ta = +25°C)
鉛フリー (Sn 100%)、ハロゲンフリー
AEC-Q100進行中*3

*1. 過充電解除電圧 = 過充電検出電圧 - 過充電ヒステリシス電圧
(過充電ヒステリシス電圧は、0 Vまたは0.1 V ~ 0.4 Vの範囲内にて50 mVステップで選択可能)

*2. 過放電解除電圧 = 過放電検出電圧 + 過放電ヒステリシス電圧
(過放電ヒステリシス電圧は、0 Vまたは0.1 V ~ 0.7 Vの範囲内にて100 mVステップで選択可能)

*3. 詳細は、販売窓口までお問い合わせください。

用途

  • リチウムイオン二次電池パック
  • リチウムポリマー二次電池パック

型番リスト

  • 製品ステータス : ACTIVENRND
  • 製品型名末尾の U(Ux)、S、G は、環境コードとして材料仕様違いを表しておりましたが、現在、全て『鉛フリー、ハロゲンフリー』へ統一され、環境品質的には同一となっております。
  • ※但し、一部の限られた旧製品においては、鉛フリーでSn 100%以外のリードめっきが適用されていますので、詳しくは販売窓口にご確認下さい。
  • 上記製品名およびパラメータは実際とは異なる場合があります。データシートで再度、製品名・仕様をご確認ください。
  • データは予告なく変更されることがあります。