NEWS & TOPICS 最新信息

ABLIC推出电动工具、电动助力自行车用二次保护用IC「S-82K5B/M5B系列」

首次推出 搭载级联功能、有助于电压监视基板的小型化、以业界最高水准的高精度提高安全性能

 

 

 美蓓亚三美株式会社(MinebeaMitsumi Inc.) 旗下的艾普凌科有限公司(总裁:田中诚司,总部地址:东京都港区,下称“ABLIC”)今天推出了3节至5节串联用二次保护用IC「S-82K5B/M5B系列」。作为二次保护用IC,本系列为ABLIC首次推出的搭载级联功能,可以使用以往30%左右的部件数实现6节以上的电压监视。
 今天推出的新产品「S-82K5B/M5B系列」是3节~5节串联用二次保护用IC、具有以下特点:(1)搭载级联功能(通过连接多个IC,能够保护比一个保护IC所能应对的最大电池数量更多的电池的功能)、通过比以往大幅度减少的部件结构,实现了6节串联以上的二次电池的电压监视;(2)搭载了IC之间通信的开路检测电路(※1),可进行更安全的电压监视;(3)备有过充电检测电压精度±20mV的S-82K5B系列和实现业界最高水准(※2)高精度±15mV的S-82M5B系列的2个系列的产品阵容,可以灵活应对客户的需求。

(※1) 开路检测电路是检测因安装不良导致部件损失、引脚接触不良以及断线等故障的电路
(※2) 根据本公司截止2024年3月的调查


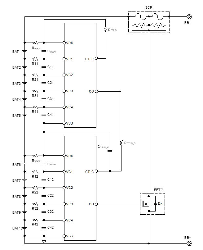
图 使用S-82K5B/M5B系列的10节串联时的保护电路示例

[主要特点]

  1. 通过搭载级联功能,可以使用以往30%左右的部件数监视6节串联以上的电压
  2. 搭载了IC之间通信的开路故障检测电路
  3. 备有业界最高水准的电压检测精度的2个系列的产品阵容
    备有S-82K5B系列和S-82M5B系列2个系列的产品阵容,可以根据客户需求选择最佳的检测电压精度。另外,还具备在-10℃至60℃良好的温度特性,S-82K5B系列的电压检测精度为±25mV,S-82M5B系列的电压检测精度为±20mV,成为业界最高水准(※3)的温度特性,有助于提高设备的安全性和充电效率。

     (※3) 根据本公司截止2024年3月的调查

 

[应用案例]
锂离子可充电电池组、锂聚合物可充电电池组

 

[产品应用示例]

电动工具, 吸尘器, 电动自行车, 等

 

[S-82K5B/M5B系列产品详情]

S-82K5B :
https://www.ablic.com/cn/semicon/datasheets/power-management-ic/lithium-ion-battery-protection-ic/s-82k5b/
S-82M5B :
https://www.ablic.com/cn/semicon/datasheets/power-management-ic/lithium-ion-battery-protection-ic/s-82m5b/

 

[网站]

https://www.ablic.com/

 

该产品系列是MinebeaMitsumi绿色产品 ,已获得杰出环保贡献产品认证。

 

 

免责声明:本公告之原文版本乃官方授权版本。译文仅供方便了解之用,烦请参照原文,原文版本乃唯一具法律效力之版本。

联系方式:

艾普凌科有限公司
Masae Onuma
pr@ablic.com
https://hub.ablic.com/en/pr-inquiry
Newsroom: www.mynewsdesk.com/ablic