电源管理IC

36 V输入、1 A的 低EMI、降压、同步整流DC-DC控制器 S-8564A/8564B/8565A/8565B系列

数据表2026/03/03

批量下载文件

可下载与该产品相关的所有文件的压缩文件。

型号一览

Buy Online (Price and Stock)

请联系每家商店了解网上商店的可用性(在线样品)等详细信息。

输出电流: 600mA 产品 | 1A 产品

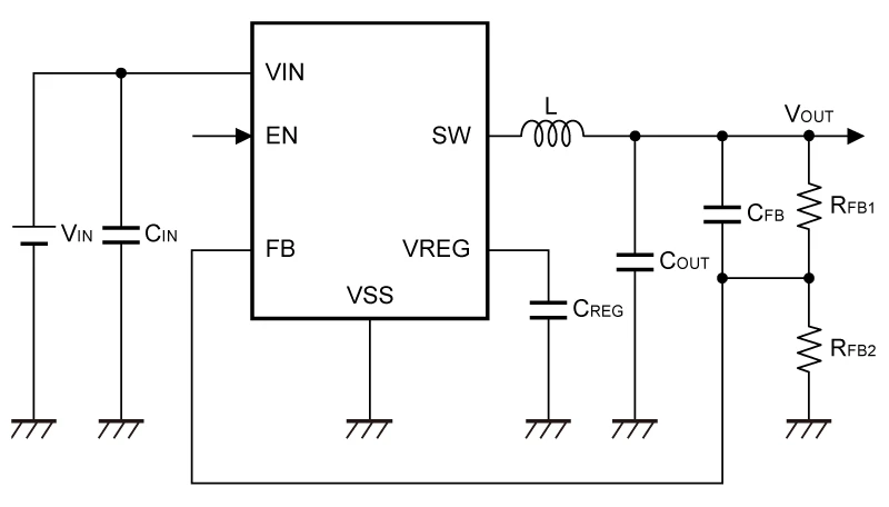
S-8564/8565系列是使用高耐压CMOS工艺技术开发的降压型DC-DC控制器。
最大工作电压高达36 V,FB端子电压维持±1.0%的高精度。内置扩频时钟发生电路,可减少PWM工作时的传导噪声和放射噪声。采用小型的HSNT-8(2030)等适于高密度安装的封装,为设备的小型化做出贡献。
可以通过选项选择PWM控制 (S-8564系列) 和PWM / PFM切换控制 (S-8565系列)。
S-8565系列在重负载时通过PWM控制工作,负载减轻时自动切换为PFM控制工作,实现了应对设备状态的高效率工作。此外,通过本公司独有的PWM / PFM切换技术,可以减小PFM控制时VOUT中发生的纹波电压。
S-8564/8565系列内置有同步整流电路,与以往的降压型DC-DC控制器相比,更易实现高效率化。还内置有保护IC或线圈免受过大负载电流损坏的过载电流保护电路、防止因发热导致IC受损的热敏关闭电路。

特点

输入电压
4.0 V ~ 36.0 V
输出电压 (外部设定)
2.5 V ~ 12.0 V
输出电流
1 A
FB端子电压精度
±1.0%
效率
91%
振荡频率
2.2 MHz (典型值)
扩频时钟发生功能
FSSS = +6% (典型值) (扩展率)
过载电流保护功能
1.85 A (典型值) (逐脉冲方式)
热敏关闭功能
170°C (典型值) (检测温度)
短路保护功能
Hiccup控制、Latch控制
100%占空系数工作
软启动功能
5.8 ms (典型值)
欠压锁定功能 (UVLO)
3.35 V (典型值) (检测电压)
输入、输出电容器
可使用陶瓷电容器
工作温度范围
Ta = −40°C ~ +105°C
无铅 (Sn 100%)、无卤素

用途

  • 产业器械的稳压电源
  • 家电产品的稳压电源

型号一览

  • 产品状态 : ACTIVENRND
  • 过去,产品名称末尾的 U (Ux)、S 和 G 作为环保代码,表示不同的材料规格。现在, 这些代码都已统一为 “无铅、无卤素”,在环保质量方面完全相同。
  • 不过,有些限定的旧产品不含铅,并且采用了 Sn 100% 以外的铅电镀,详情请向我们的销售代表咨询。
  • 上述产品及参数可能与实际不符。请通过数据表再次确认产品名称与规格。
  • 本资料有可能在没有事先通知的情况下发生变更。