电源管理IC

升压 1.2 MHz 高频 PWM控制DC-DC控制器 S-8337/8338系列

数据表2019/08/01

批量下载文件

可下载与该产品相关的所有文件的压缩文件。

型号一览

Buy Online (Price and Stock)

请联系每家商店了解网上商店的可用性(在线样品)等详细信息。

S-8337/8338系列是一种由基准电压电路、振荡电路、误差放大电路、PWM控制电路、低电压误工作防止电路 (UVLO) 、时钟闩锁式短路保护电路等构成的CMOS升压DC-DC控制器。最低工作电压为1.8 V,最适合应用于LCD用电源及低电压工作的移动设备。由于在ROSC端子部连接了电阻,所以可设定内部的振荡频率最大到1.133 MHz。
S-8337系列通过在RDuty端子部连接了电阻,故可控制PWM控制电路的最大占空系数。S-8338系列的最大占空系数则是固定的(88%)。通过连接在CC端子部的电阻和电容器的值进行相位补偿,成为可以调整增益值的构成。因此,对每个应用电路均可适当设置工作稳定度和过渡响应。
基准电压为1.0 V±1.5%的高精度,通过外接的输出电压设定电阻可以得到任意的输出电压。另外,通过连接在CSP端子的电容器可设定短路保护电路的延迟时间。由于短路最大占空系数的状态若持续,外接在CSP端子部的电容器则被充电,经由一定时间后停止振荡工作。这种状态可由电源的再通电,或者设置为休眠状态(S-8338系列)而被解除。由于所设定的输出容量的不同而选择使用陶瓷电容器,或是钽电容器。
可进行各种设定以及选择,加上与采用小型封装的特点相组合,可以成为使用非常方便的控制器IC。

特点

低电压工作
1.8 V ~ 6.0 V
振荡频率
利用外接电阻可在286 kHz ~ 1.133MHz之间设定
最大占空系数
利用外接电阻可在50 ~ 90%之间设定(S-8337系列)
固定为88% 典型值(S-8338系列)
基准电压
1.0 V ± 1.5%
UVLO(低电压误工作防止)功能
检测电压在 1.5 V ~ 2.3 V之间,可以0.1 V级进选择
滞后幅度在0.1 V ~ 0.3 V之间,可以0.1 V级进选择
时钟闩锁式短路保护电路
可用外接电容器设定延迟时间
软启动功能
软启动时间可在10ms, 15ms, 20ms的3阶段中进行选择
通过外接设定相位补偿
针对GND可通过电阻与 电容器的串联连接来进行调整
开/关控制功能
S-8338系列,休眠时消耗电流 1.0 µA 最大值
无铅产品

用途

  • LCD, CCD等的电源
  • 移动设备用电源

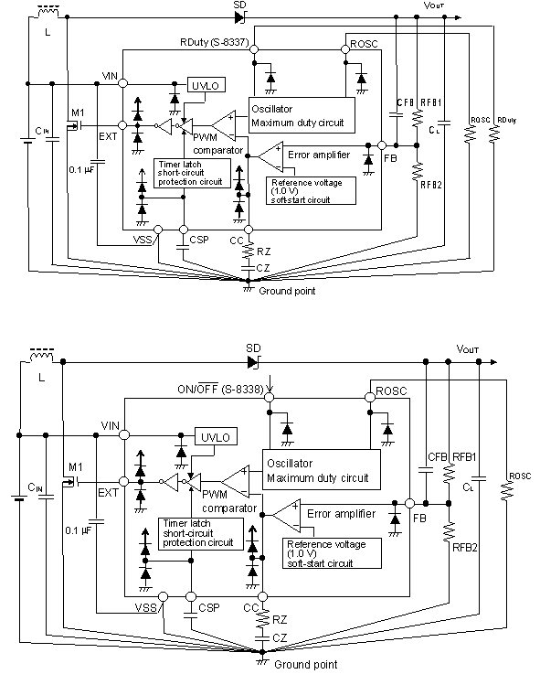
标准电路

标准电路

型号一览

  • 产品状态 : ACTIVENRND
  • 过去,产品名称末尾的 U (Ux)、S 和 G 作为环保代码,表示不同的材料规格。现在, 这些代码都已统一为 “无铅、无卤素”,在环保质量方面完全相同。
  • 不过,有些限定的旧产品不含铅,并且采用了 Sn 100% 以外的铅电镀,详情请向我们的销售代表咨询。
  • 上述产品及参数可能与实际不符。请通过数据表再次确认产品名称与规格。
  • 本资料有可能在没有事先通知的情况下发生变更。