电源管理IC

带电池电压监视端子 1节电池用电池保护IC S-82S1C系列

数据表2026/03/23

批量下载文件

可下载与该产品相关的所有文件的压缩文件。

型号一览

Buy Online (Price and Stock)

请联系每家商店了解网上商店的可用性(在线样品)等详细信息。

放电过电流1 / 充电过电流检测电压精度 : ±1 mV (S-82S1A) | ±0.5 mV (S-82S1C)

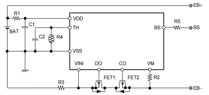
本IC内置高精度电压检测电路和延迟电路,是用于锂离子 / 锂聚合物可充电电池的保护IC。最适合于对1节锂离子 / 锂聚合物可充电电池组的过充电、过放电和过电流的保护。
把NTC热敏电阻器连接于热敏电阻器连接端子 (TH端子),可以进行过热保护。
通过使用电池电压监视端子 (BS端子) 可以正确的监视电池电压。

特点

带电池电压监视端子
使用外接NTC热敏电阻器的高精度过热保护电路
过热检测温度
: +45°C ~ +85°C (1°C进阶)
精度±3°C*1
高精度电压检测电路
过充电检测电压
: 3.500 V ~ 4.800 V (5 mV进阶)
精度±15 mV
过充电解除电压
: 3.100 V ~ 4.800 V*2
精度±50 mV
过放电检测电压
: 2.000 V ~ 3.000 V (10 mV进阶)
精度±50 mV
过放电解除电压
: 2.000 V ~ 3.400 V*3
精度±75 mV
放电过电流1检测电压
: 3 mV ~ 100 mV (0.5 mV进阶)
精度±0.5 mV
放电过电流2检测电压
: 6 mV ~ 100 mV (0.5 mV进阶)
精度±2 mV
负载短路检测电压
: 20 mV ~ 100 mV (1 mV进阶)
精度±5 mV
充电过电流检测电压
: -100 mV ~ -3 mV (0.5 mV进阶)
精度±0.5 mV
各种检测延迟时间仅通过内置电路即可实现 (不需要外接电容)
放电过电流控制功能
放电过电流状态解除条件 : 断开负载
放电过电流状态解除电压 : 放电过电流解除电压 (VRIOV) = VDD × 0.8 (典型值)
向0 V电池充电
允许、禁止
休眠功能
有、无
高耐压
VM端子、CO端子 : 绝对最大额定值28 V
工作温度范围广
Ta = -40°C ~ +85°C
消耗电流低
工作时 : 4.5 μA (典型值)、6.0 μA (最大值) (Ta = +25°C)
休眠时 : 50 nA (最大值) (Ta = +25°C)
过放电时 : 0.5 μA (最大值) (Ta = +25°C)
无铅 (Sn 100%)、无卤素

*1. 温度检测精度因NTC热敏电阻器的规格不同而有所偏差。
连接了表5所示的NTC热敏电阻器,可以获得的检测温度及精度。

*2. 过充电解除电压 = 过充电检测电压 - 过充电滞后电压
(过充电滞后电压为0 V或者可在0.1 V ~ 0.4 V的范围内以50 mV为进阶单位进行选择)

*3. 过放电解除电压 = 过放电检测电压 + 过放电滞后电压
(过放电滞后电压为0 V或者可在0.1 V ~ 0.7 V的范围内以100 mV为进阶单位进行选择)

用途

  • 锂离子可充电电池组
  • 锂聚合物可充电电池组

型号一览

  • 产品状态 : ACTIVENRND
  • 过去,产品名称末尾的 U (Ux)、S 和 G 作为环保代码,表示不同的材料规格。现在, 这些代码都已统一为 “无铅、无卤素”,在环保质量方面完全相同。
  • 不过,有些限定的旧产品不含铅,并且采用了 Sn 100% 以外的铅电镀,详情请向我们的销售代表咨询。
  • 上述产品及参数可能与实际不符。请通过数据表再次确认产品名称与规格。
  • 本资料有可能在没有事先通知的情况下发生变更。