BS端子 - VSS端子间电阻: 5kΩ typ. (S-82R1A) | 50Ω typ. (S-82S1A)
本IC内置高精度电压检测电路和延迟电路,是用于锂离子 / 锂聚合物可充电电池的保护IC。最适合于对1节锂离子 / 锂聚合物可充电电池组的过充电、过放电和过电流的保护。
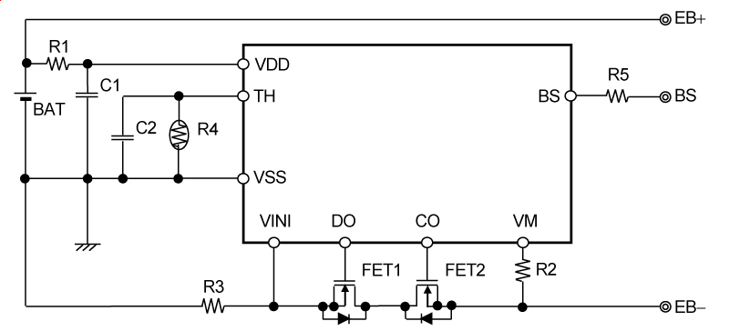
通过把NTC热敏电阻器连接于热敏电阻器连接端子 (TH端子),可以进行过热保护。
通过使用电池电压监视端子 (BS端子) 可以正确的监视电池电压。
特点
- 带电池电压监视端子
- 使用外接NTC热敏电阻器的高精度过热保护电路
- 过热检测温度
: +45°C ~ +85°C (1°C进阶)
精度±3°C*1 - 高精度电压检测电路
- 过充电检测电压
: 3.500 V ~ 4.800 V (5 mV进阶)
精度±15 mV - 过充电解除电压
: 3.100 V ~ 4.800 V*2
精度±50 mV - 过放电检测电压
: 2.000 V ~ 3.000 V (10 mV进阶)
精度±50 mV - 过放电解除电压
: 2.000 V ~ 3.400 V*3
精度±75 mV - 放电过电流1检测电压
: 3 mV ~ 100 mV (0.5 mV进阶)
精度±1.5 mV - 放电过电流2检测电压
: 10 mV ~ 100 mV (0.5 mV进阶)
精度±3 mV - 负载短路检测电压
: 20 mV ~ 100 mV (1 mV进阶)
精度±5 mV - 充电过电流检测电压
: -100 mV ~ -3 mV (0.5 mV进阶)
精度±1.5 mV - 各种检测延迟时间仅通过内置电路即可实现 (不需要外接电容)
- 放电过电流控制功能
- 放电过电流状态解除条件 : 断开负载
- 放电过电流状态解除电压 : 放电过电流解除电压 (VRIOV) = VDD × 0.8 (典型值)
- 向0 V电池充电
- 允许、禁止
- 休眠功能
- 有、无
- 高耐压
- VM端子、CO端子 : 绝对最大额定值28 V
- 工作温度范围广
- Ta = -40°C ~ +85°C
- 消耗电流低
- 工作时 : 4.5 μA (典型值)、6.0 μA (最大值) (Ta = +25°C)
- 休眠时 : 50 nA (最大值) (Ta = +25°C)
- 过放电时 : 0.5 μA (最大值) (Ta = +25°C)
- 无铅 (Sn 100%)、无卤素
*1. 温度检测精度因NTC热敏电阻器的规格不同而有所偏差。
连接了NTC热敏电阻器,可以获得的检测温度及精度。
*2. 过充电解除电压 = 过充电检测电压 - 过充电滞后电压
(过充电滞后电压为0 V或者可在0.1 V ~ 0.4 V的范围内以50 mV为进阶单位进行选择)
*3. 过放电解除电压 = 过放电检测电压 + 过放电滞后电压
(过放电滞后电压为0 V或者可在0.1 V ~ 0.7 V的范围内以100 mV为进阶单位进行选择)
用途
- 锂离子可充电电池组
- 锂聚合物可充电电池组