电源管理IC

带RTC用恒压输出端子 3节 / 4节电池串联用电池保护IC (二次保护用) S-82H4B系列

数据表2025/09/04

批量下载文件

可下载与该产品相关的所有文件的压缩文件。

型号一览

Buy Online (Price and Stock)

请联系每家商店了解网上商店的可用性(在线样品)等详细信息。

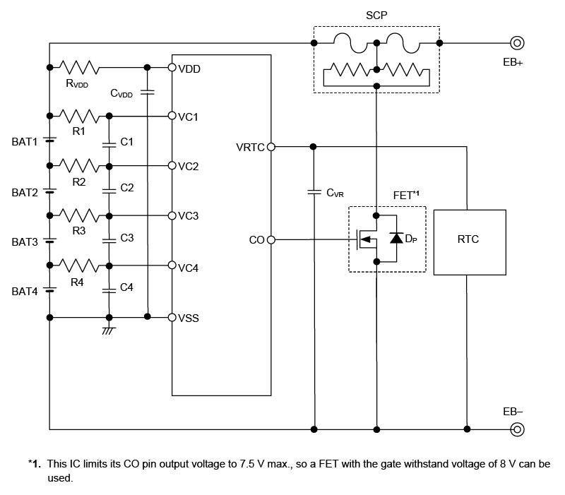
本IC内置高精度电压检测电路和延迟电路,是用于锂离子可充电电池的二次保护IC。
通过将VC1端子 − VC2端子间短路,可适用于3节电池的串联连接。
因备有可输出1.5 V ~ 3.3 V恒压输出电路,本IC可作为外接RTC (实时时钟IC) 的恒压电源使用。

特点

针对各节电池的高精度电压检测电路
过充电检测电压n
3.600 V ~ 5.000 V (进阶单位为5 mV)
: 精度±15 mV (Ta = +25°C)
: 精度±20 mV (Ta = −10°C ~ +60°C)
过充电解除电压n*1
3.600 V ~ 5.000 V
: 精度±50 mV
VRTC端子关闭电压n
2.500 V ~ 2.800 V (进阶单位为100 mV)
: 精度±50 mV
延迟时间仅通过内置电路即可实现 (不需要外接电容)
过充电检测延迟时间、VRTC端子关闭延迟时间 : 1 s, 2 s, 4 s, 6 s
过充电定时复位功能
有、无
CO端子输出电压限于7.5 V (最大值)
VRTC端子输出电压
1.500 V ~ 3.300 V (进阶单位为100 mV)
: 精度±2% (Ta = +25°C)
VRTC端子输出电流
2 mA (最大值)
工作温度范围广
Ta = −40°C ~ +85°C
消耗电流低
工作时 (各节电池VCU − 1.0 V) : 4.0 μA (最大值)
VRTC端子关闭时 (各节电池VRSD − 1.0 V) : 0.4 μA (最大值)
无铅 (Sn 100%)、无卤素

*1. 过充电解除电压 = 过充电检测电压 − 过充电滞后电压
(过充电滞后电压为在0 mV ~ 400 mV的范围内以50 mV为进阶单位来选择)

备注 1. 本IC的电池连接顺序受限制。如果需要电池连接顺序不受限制的产品时,请考虑采用S-82K3B/K4B系列
2. n = 1, 2, 3, 4

用途

  • 锂离子可充电电池 (二次保护用)

型号一览

  • 产品状态 : ACTIVENRND
  • 过去,产品名称末尾的 U (Ux)、S 和 G 作为环保代码,表示不同的材料规格。现在, 这些代码都已统一为 “无铅、无卤素”,在环保质量方面完全相同。
  • 不过,有些限定的旧产品不含铅,并且采用了 Sn 100% 以外的铅电镀,详情请向我们的销售代表咨询。
  • 上述产品及参数可能与实际不符。请通过数据表再次确认产品名称与规格。
  • 本资料有可能在没有事先通知的情况下发生变更。