电源管理IC

电池监视用IC S-82F9系列

数据表2025/05/27

批量下载文件

可下载与该产品相关的所有文件的压缩文件。

型号一览

Buy Online (Price and Stock)

请联系每家商店了解网上商店的可用性(在线样品)等详细信息。

5个LED灯(S-82F9) | 4个LED灯(S-82D9) | 3个LED灯(S-8229A)

本IC是使用CMOS技术开发的电池监视用IC。与以往的CMOS电压检测器相比,工作电压最高可达到24 V,最适用于需要耐高压的应用电路。
因可检测五个电压值,所以可分阶段地确认电压的状况。
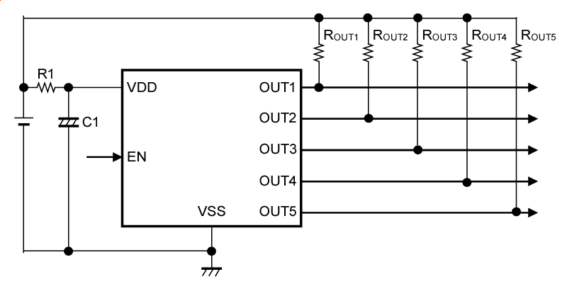
S-82F9A系列备有EN端子,利用外部信号切断电源,可以抑制消耗电流。
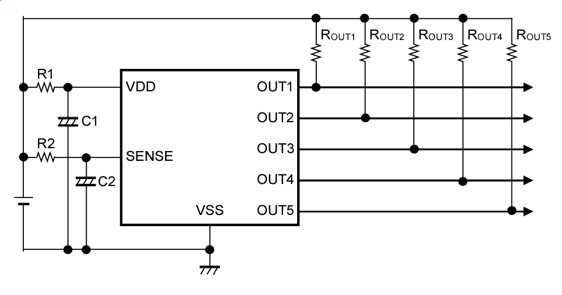
S-82F9B系列备有SENSE端子,通过SENSE端子和外接部件,可以监视IC额定以上的电池电压。

特点

检测电压精度
±1.0%
滞后特性
VHYS1(S) ~ VHYS5(S) = 0 mV, 50 mV, 300 mV, 400 mV, 500 mV
消耗电流
工作时 : IDD1 = 10 μA max.
休眠时 : IDD2 = 0.1 μA max.
工作电压范围
VDD = 3.6 V ~ 24 V
检测电压
VDET1(S) ~ VDET5(S) = 7.5 V ~ 21.5 V (进阶单位为0.1 V)
输出方式
N沟道开路漏极输出
输出逻辑*1
Full charge all on, Individual step voltage on
SENSE端子休眠电压
VSENSE
电压检测端子
S-82F9A系列 : VDD端子
S-82F9B系列 : SENSE端子
工作温度范围
Ta = -40°C ~ +85°C
无铅 (Sn 100%)、无卤素

*1. Full charge all on :
根据输入电压,多个输出端子输出VSS。当输入电压为五个检测电压值以上时,
VOUT1 = VOUT2 = VOUT3 = VOUT4 = VOUT5 = VSS
Individual step voltage on :
根据输入电压,仅限一个输出端子输出VSS。检测电压请设定为
VDET1 > VDET2 > VDET3 > VDET4 > VDET5、VDETn > VDETn+1 + VHYSn+1
当输入电压为检测电压1 (VDET1) 以上时,VOUT1 = VSS、VOUT2 = VOUT3 = VOUT4 = VOUT5 = High-Z。

用途

  • 锂离子可充电电池组

型号一览

  • 产品状态 : ACTIVENRND
  • 过去,产品名称末尾的 U (Ux)、S 和 G 作为环保代码,表示不同的材料规格。现在, 这些代码都已统一为 “无铅、无卤素”,在环保质量方面完全相同。
  • 不过,有些限定的旧产品不含铅,并且采用了 Sn 100% 以外的铅电镀,详情请向我们的销售代表咨询。
  • 上述产品及参数可能与实际不符。请通过数据表再次确认产品名称与规格。
  • 本资料有可能在没有事先通知的情况下发生变更。