电源管理IC

3节 ~ 5节串联用电池监视IC S-82F5B系列

数据表2025/01/06

批量下载文件

可下载与该产品相关的所有文件的压缩文件。

型号一览

Buy Online (Price and Stock)

请联系每家商店了解网上商店的可用性(在线样品)等详细信息。

过充电检测电压精度:±15mV (S-82H5B)|±20mV (S-82F5B)

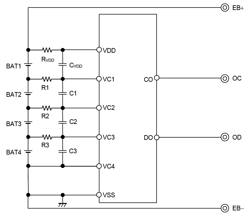
本IC内置有高精度电压检测电路和延迟电路,通过8个引脚的小型封装可以监视3节 ~ 5节串联锂离子可充电电池的状态。
通过将各节电池间短路,可适用于3节 ~ 5节电池的串联连接。

特点

针对各节电池的高精度电压检测电路
过充电检测电压n
3.500 V ~ 4.700 V (进阶单位为5 mV)
: 精度±20 mV (Ta = +25°C)
: 精度±25 mV (Ta = −10°C ~ +60°C)
过充电解除电压n*1
3.100 V ~ 4.700 V
: 精度±50 mV
过放电检测电压n
1.500 V ~ 3.200 V (进阶单位为50 mV)
: 精度±80 mV
过放电解除电压n*2
1.500 V ~ 3.900 V (进阶单位为100 mV)
: 精度±100 mV
延迟时间仅通过内置电路即可实现 (不需要外接电容)
过充电检测延迟时间 : 0.5 s、1 s、2 s、4 s、6 s、8 s
过放电检测延迟时间 : 128 ms、256 ms、0.5 s、1 s
CO端子、DO端子输出电压限于7.5 V (最大值)
CO端子、DO端子输出形式
CMOS输出、N沟道开路漏极输出
CO端子、DO端子输出逻辑
动态 "H"、动态 "L"
高耐压
绝对最大额定值28 V
工作电压范围广
3.6 V ~ 24 V
工作温度范围广
Ta = -40°C ~ +85°C
消耗电流低
工作时 (各节电池3.4 V) : 7.0 μA (最大值)
无铅 (Sn 100%)、无卤素

*1. 过充电解除电压 = 过充电检测电压 − 过充电滞后电压
(过充电滞后电压为在0 mV ~ 400 mV的范围内以50 mV为进阶单位来选择)

*2. 过放电解除电压 = 过放电检测电压 + 过放电滞后电压
(过放电滞后电压为在0 mV ~ 700 mV的范围内以100 mV为进阶单位来选择)

备注 n = 1, 2, 3, 4, 5

用途

  • 锂离子可充电电池组

型号一览

  • 产品状态 : ACTIVENRND
  • 过去,产品名称末尾的 U (Ux)、S 和 G 作为环保代码,表示不同的材料规格。现在, 这些代码都已统一为 “无铅、无卤素”,在环保质量方面完全相同。
  • 不过,有些限定的旧产品不含铅,并且采用了 Sn 100% 以外的铅电镀,详情请向我们的销售代表咨询。
  • 上述产品及参数可能与实际不符。请通过数据表再次确认产品名称与规格。
  • 本资料有可能在没有事先通知的情况下发生变更。