电源管理IC

1节电池用电池保护IC S-8261系列

数据表2023/09/07

批量下载文件

可下载与该产品相关的所有文件的压缩文件。

型号一览

Buy Online (Price and Stock)

请联系每家商店了解网上商店的可用性(在线样品)等详细信息。

S-8261系列是内置高精度电压检测电路和延迟电路的锂离子/锂聚合物可充电池的保护IC。
本IC最适合于1节锂离子/锂聚合物可充电池组的过充电、过放电和过电流的保护。

特点

内置高精度电压检测电路
过充电检测电压 : 3.9 V ~ 4.5 V(进阶单位为5 mV) 精度±25 mV(25°C)、 ±30 mV(−5°C ~ +55°C)
过充电滞后电压 : 0.1 V ~ 0.4 V *1 精度±25 mV 过充电滞后电压可以在 : 0.1 V ~ 0.4 V的范围内,以50 mV为进阶单位进行选择
过放电检测电压 : 2.0 V ~ 3.0 V(进阶单位为10 mV) 精度±50 mV
过放电滞后电压 : 0.0 V ~ 0.7 V *2 精度±50 mV
过放电滞后电压可以在 : 0.0 V ~ 0.7 V的范围内,以100 mV为进阶单位进行选择
过电流1检测电压 : 0.05 V ~ 0.3 V(进阶单位为10 mV) 精度±15 mV
过电流2检测电压 : 0.5 V(固定) 精度±100 mV
高耐压 (VM端子、CO端子:绝对最大额定值 = 28 V)
各种延迟时间只需由内置电路来实现(过充电:tCU、过放电:tDL、过电流1:tIOV1、过电流2:tIOV2) (不需外接电容) 精度±20%
内置三段过电流检测电路(过电流1、过电流2、负载短路)
可以选择“允许”/“禁止”向0 V电池充电的功能
可以选择休眠功能的“有”/“无”
可充电器检测功能、异常充电电流检测功能
根据检测VM端子的负电压(典型值−0.7 V)而解除过放电滞后(充电器检测功能)。
当DO端子电压处于高电位(High),VM端子电压低于充电器检测电压(典型值−0.7 V)时,CO端子的输出将被设置于 低电位(Low)(异常充电电流检测功能)。
低消耗电流
工作状态时 典型值3.5 µA 最大值7.0 µA
休眠状态时 最大值0.1 µA
宽工作温度范围
−40°C ~ +85°C
无铅
Sn 100%
无卤素

用途

  • 锂离子可充电电池组
  • 锂聚合物可充电电池组

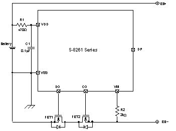
标准电路

标准电路

型号一览

  • 产品状态 : ACTIVENRND
  • 过去,产品名称末尾的 U (Ux)、S 和 G 作为环保代码,表示不同的材料规格。现在, 这些代码都已统一为 “无铅、无卤素”,在环保质量方面完全相同。
  • 不过,有些限定的旧产品不含铅,并且采用了 Sn 100% 以外的铅电镀,详情请向我们的销售代表咨询。
  • 上述产品及参数可能与实际不符。请通过数据表再次确认产品名称与规格。
  • 本资料有可能在没有事先通知的情况下发生变更。