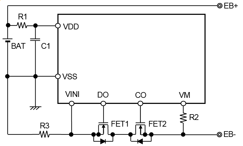
本IC内置高精度电压检测电路和延迟电路,是用于锂离子 / 锂聚合物可充电电池的保护IC。最适合于对1节锂离子 / 锂聚合物可充电电池组的过充电、过放电和过电流的保护。
本IC通过使用外接过电流检测电阻,实现受温度变化影响小的高精度过电流保护。
注意 本产品可使用于车辆器械、车载器械。考虑使用在汽车控制系统和医疗设备用途上的客户,请务必与代理商联系。
特点
- 高精度电压检测电路
- 过充电检测电压
3.500 V ~ 4.800 V (5 mV进阶)
: 精度±15 mV - 过充电解除电压
3.100 V ~ 4.800 V*1
: 精度±50 mV - 过放电检测电压
2.000 V ~ 3.000 V (10 mV进阶)
: 精度±50 mV - 过放电解除电压
2.000 V ~ 3.400 V*2
: 精度±75 mV - 放电过电流1检测电压
3 mV ~ 100 mV (0.5 mV进阶)
: 精度±1 mV - 放电过电流2检测电压
6 mV ~ 100 mV (1 mV进阶)
: 精度±2 mV - 负载短路检测电压
20 mV ~ 100 mV (1 mV进阶)
: 精度±4 mV - 充电过电流检测电压
-100 mV ~ -3 mV (0.5 mV进阶)
: 精度±1 mV - 各种检测延迟时间仅通过内置电路即可实现 (不需要外接电容)
- 放电过电流控制功能
- 放电过电流状态的解除条件 : 断开负载
- 放电过电流状态的解除电压 : 放电过电流解除电压 (VRIOV) = VDD × 0.8 (typ.)
- 向0 V电池充电
- 允许、禁止
- 休眠功能
- 有、无
- 高耐压
- VM端子、CO端子 : 绝对最大额定值28 V
- 工作温度范围广
- Ta = −40°C ~ +125°C
- 消耗电流低
- 工作时 : 2.0 μA typ., 4.0 μA max. (Ta = +25°C)
- 休眠时 : 50 nA max. (Ta = +25°C)
- 过放电时 : 0.5 μA max. (Ta = +25°C)
- 无铅 (Sn 100%)、无卤素
- 符合AEC-Q100标准*3
*1. 过充电解除电压 = 过充电检测电压 - 过充电滞后电压
(过充电滞后电压为0 V或者可在0.1 V ~ 0.4 V的范围内以50 mV为进阶单位进行选择)
*2. 过放电解除电压 = 过放电检测电压 + 过放电滞后电压
(过放电滞后电压为0 V或者可在0.1 V ~ 0.7 V的范围内以100 mV为进阶单位进行选择)
*3. 详情请与代理商联系。
用途
- 锂离子可充电电池组
- 锂聚合物可充电电池组